




































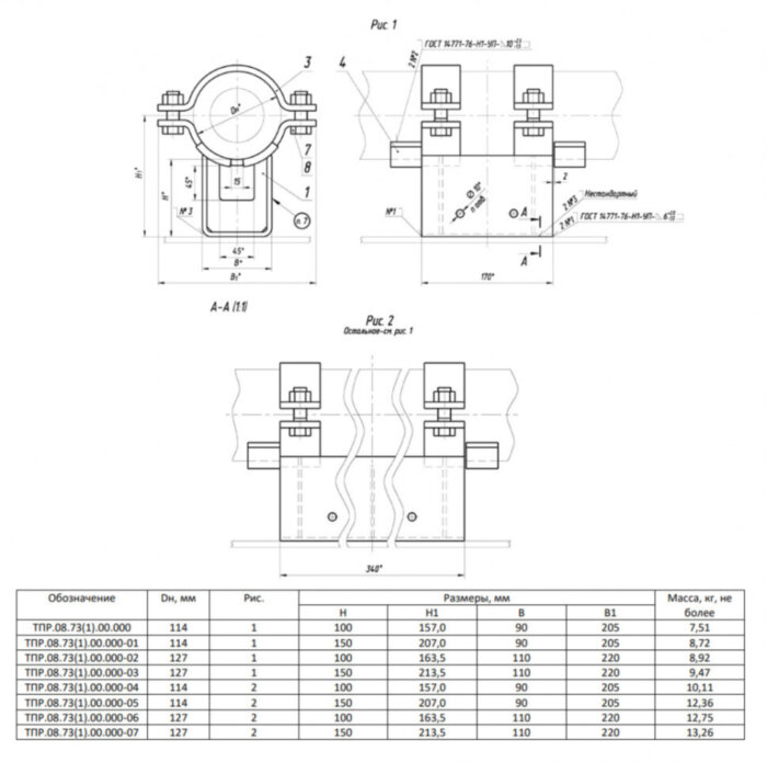
Вес | 10.11 кг |
Габариты дхшхв, мм | 90х340х214 |
Транспортировочный объём | 0,0065 м3 |
Изображение размеров | /wa-data/public/shop/dim-images/skhema-opora-tpr.08.731.00.000.jpg |
Сфера применения | Для крепления труб при строительстве технологических трубопроводов |
Минимальная рабочая температура | -60°C |
Максимальная рабочая температура | +450°C |
Тип | 2 |
Давление | PN 70 |
Материал изделия | Сталь |
Минимальная температура окр. среды | -70°C |
Диаметр стальной трубы | 114 мм |
Тип опоры | Неподвижная |
Вид опоры | Хомутовая |
Высота до основания трубопровода | 100 мм |
Длина | 340 мм |
Помогите другим пользователям с выбором - будьте первым, кто поделится своим мнением об этом товаре.