



































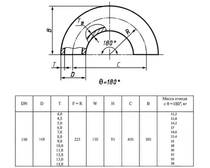
Вес | 25 кг |
Диаметр | 168 мм |
Стандарт | ГОСТ 17375-2001 |
Габариты дхшхв, мм | 672х168х305 |
Транспортировочный объём | 0.0344 м3 |
Изображение размеров | /wa-data/public/shop/dim-images/168_180a-33.jpg |
Сфера применения | Для трубопроводов групп B и C и трубопроводов атомных станций по «Правилам АЭУ» |
Тип | Бесшовный |
Марка стали | 09Г2С |
Тип присоединения | Под приварку |
Толщина стенки | 9 мм |
Вид | Крутоизогнутый |
Минимальная температура рабочей среды | от -70 °С |
Максимальная температура рабочей среды | до + 300° С |
Угол | 180° |
Тип исполнения | 2 |
Радиус изгиба | 225 мм |
Радиус кривизны | R=1,5D |
Помогите другим пользователям с выбором - будьте первым, кто поделится своим мнением об этом товаре.
