Санкт-Петербург
Санкт-Петербург ваш город?
Да
Выбрать другой город
ИнжСтройПроект

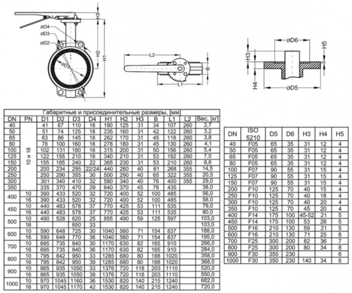
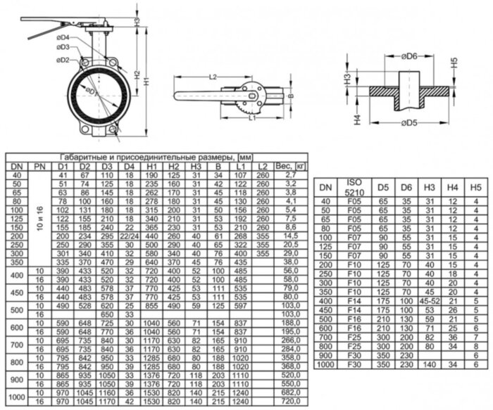
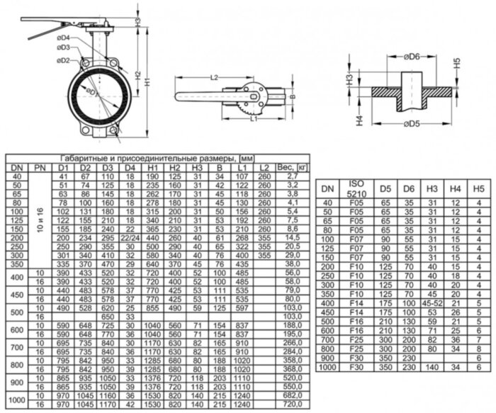
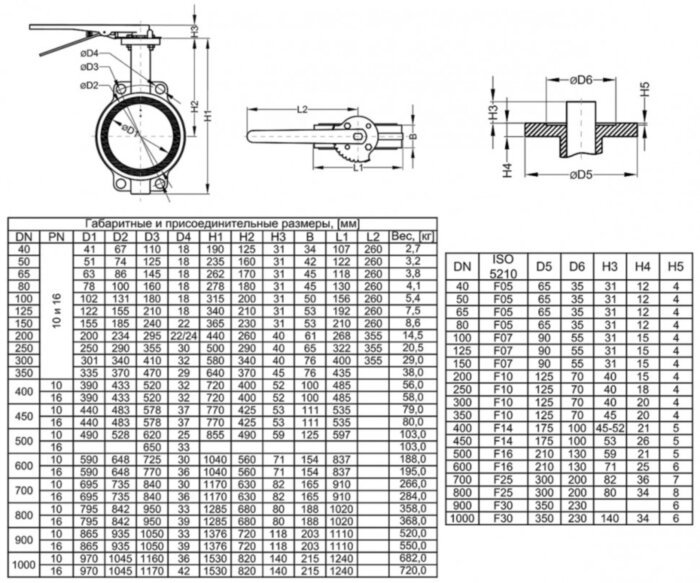
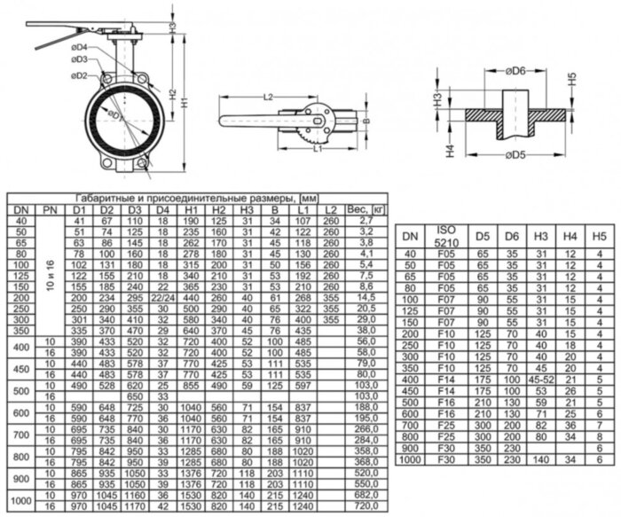
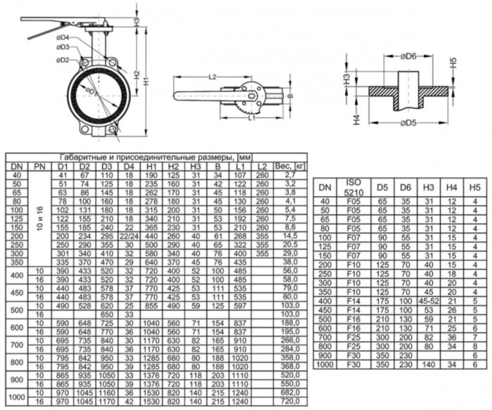
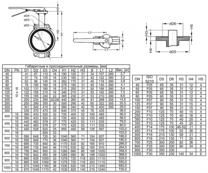
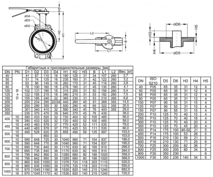
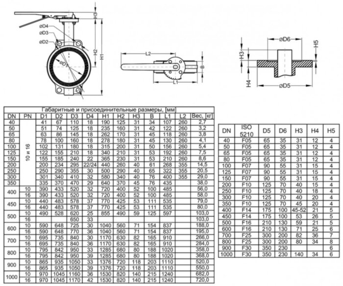
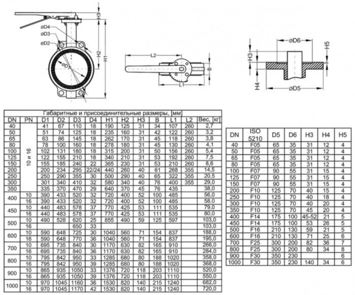
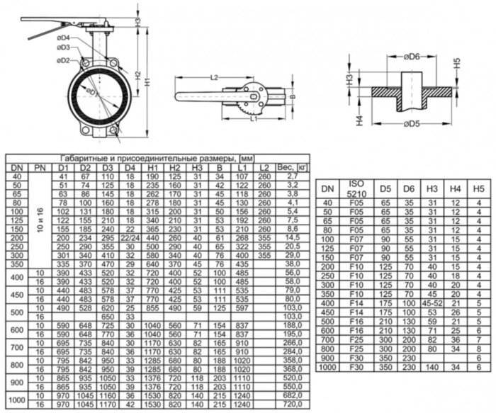
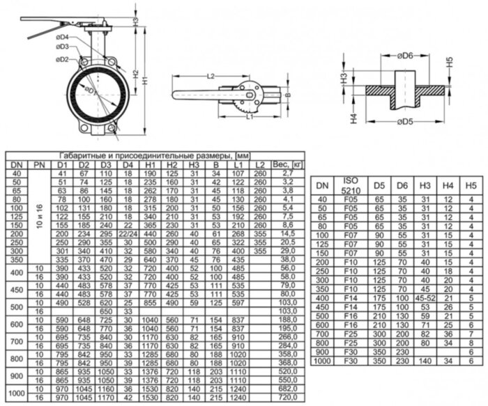
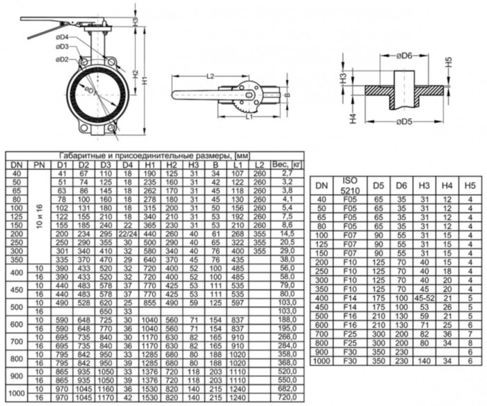
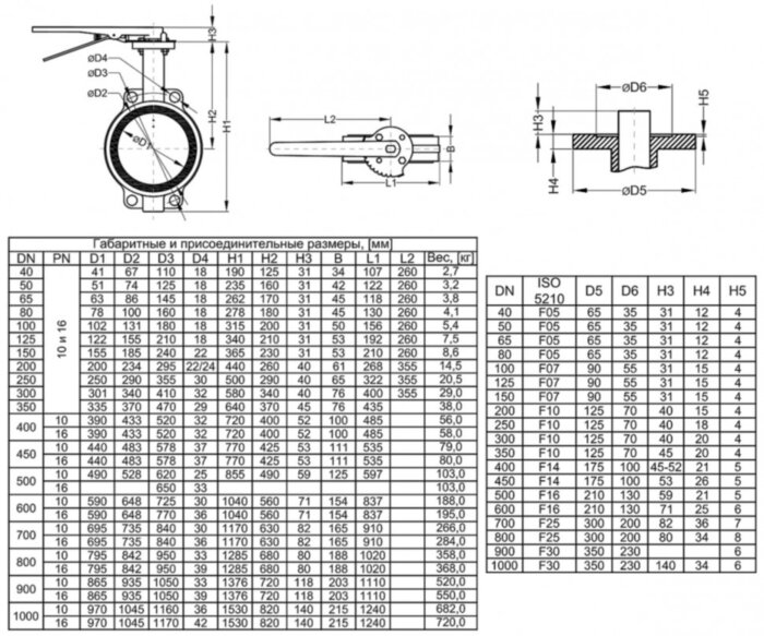
Затворы Kvant