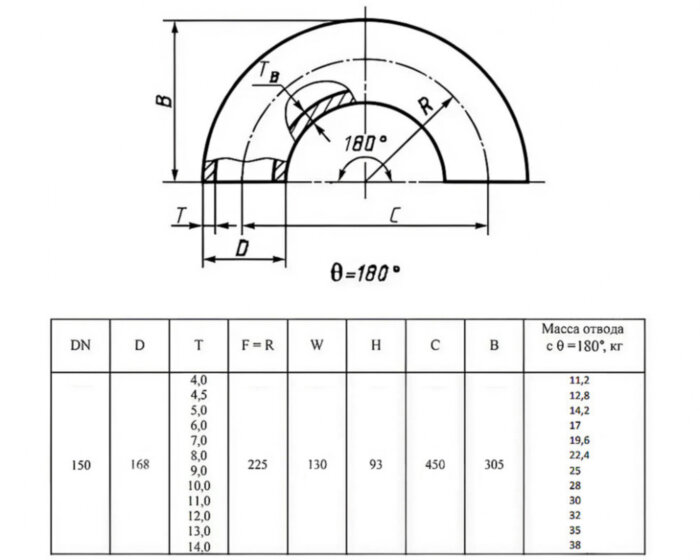
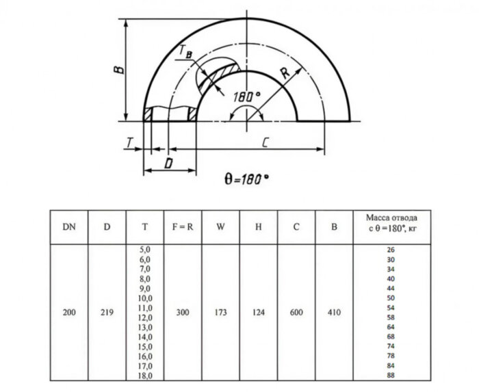
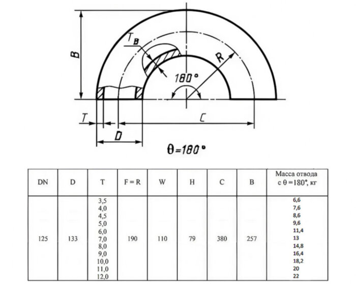
Каталог
Бренды
Весь каталог
Трапы
Кровельные воронки
Пневмозаглушки
Оросители
Пожарное оборудование
Регуляторы давления
Компенсаторы сильфонные
Стальные канаты
Лестницы и ограждения
Трубная изоляция
Вспомогательное оборудование для стальных труб
Расширительные баки и гидроаккумуляторы
Насосы
Приборы учета, контрольно-измерительные приборы и автоматика
Железобетонные изделия
Сальники для труб
Опоры для труб
Стальные емкости
Трубы
Фильтр-патроны для ливневой канализации
Опорно-направляющие кольца и герметизирующие манжеты
Регистры отопления
Радиаторы отопления
Ремонтно-соединительная арматура
Коллекторы и коллекторные группы
Приводы для трубопроводной арматуры
Фланцы стальные
Трубопроводная арматура
Соединительные детали для труб
Люк для колодца
Бренды
139 брендов
ABRA
ADL
ALLURE
ALSO
Aquario
Aquasfera
Askon
AUMA
AVK
BARBERI
Benarmo
BONTEL
BROEN
Champion
Cimberio
CMO
COREX
Daeyoun
Daishin
Danfoss
DENDOR
DOMEX
Ekoplastik
ERHARD
FAF
FAR
FDPlast
Flamco
FORTECA
FOX
Frialen
GENEBRE
Georg Fischer GF
GIDRUSS
Groen
GROSS
Grundfos
Hawle
HL
Honda
ITAP
Jafar
Kalde
Koshin
KRATS
Kvant
LD
Luxor
MAGNUM
Meibes
NAVAL
ORKO
Ostendorf
Oventrop
PAM Saint-Gobain
Polycorr
Polytec
Polytron ProKan
PRAGMA
Pro Aqua
Reflex
REHAU
RIDGID
RIFAR
ROMMER
Royal Thermo
Saint-Gobain
SMART-JOINT
Stahlmann
STAR
STOUT
TAG Pipe
Talis (Belgicast)
Tecofi
Tiemme
Trans-Quadro
Unipump
UR-CAST
VAG
Vaillant
VALFEX
VALSTOK
Valtec
Vexve
VGA
Viking Johnson
VIR
Warme
Watts
Wester
Wika
Yanmar
ZETKAMA
Апогей
Балтика-01
БЭФ
Вепрь
Водомер
ГИС (Гидроизоляционные сооружения)
ДЕКАСТ
Джилекс
Завод Водоприбор МЗВ
Завод им. Гаджиева
Изоком
Икапласт
ЛМЗ
Маршал
Не указан
Нептун
НОРМА ИС
Огнеборец
Пожнанотех
Пожтехника
ПОЛИМЕРТЕПЛО
Полипластик
Рашворк
Ридан
РИФ
РОСМА
Русинтэк
Свободный Сокол
Сибрезинотехника
Спецавтоматика Бийск
СпецСнаб
Татполимер
ТВЭЛ-ПЭКС
Тепловодомер
Теплосила
ТЕРМА
ТИАЛ
УЗТПА
ФАЭКС
Хемкор
ЭКО НОМ
ЭКОМЕРА
Энерготехномаш
ЭНЭКОС
Эпотос-К
Ярпожинвест
Весь каталог
Трапы
Комплектующие для трапов
Пожарное оборудование
Шкафы пожарные
Рукава пожарные
Стволы пожарные
Головки пожарные
Краны пожарные
Муфты противопожарные
Подставки под огнетушители
Узлы управления
Мотопомпы
Подставки под гидранты
Огнетушители
Лестницы и ограждения
Стальные ограждения
Стойки
Лестницы стальные
Колонны
Площадки промышленные
Стремянки
Насосы
Погружные насосы
Скважинные насосы
Поверхностные насосы
Насосные станции
Фекальные насосы
Дренажные насосы
Комплектующие для насосов
Насосы циркуляционные
Насосы многоступенчатые
Опоры для труб
Опоры для труб ОСТ 36-10Х-83
ОСТ 36-146-88 опоры для труб
Опоры для труб ГОСТ 14911-82
Опоры для труб ОСТ 34-10-6ХХ-93
Опоры для труб ОСТ 36-94-83
Опоры для труб Серия 1-487-1997.01.000
Опоры для труб Л8-1ХХ
Опоры для труб Л8-5ХХ
Опоры для труб ОСТ 24.125.1ХХ-01
Опоры для труб ОСТ 108.275.ХХ-80
Опоры для труб ТПР
Опоры для труб ОСТ 36-17-85
Опоры для труб МН 40ХХ-62
Опоры для труб Серия 4.903-10
Опоры для труб Серия 5.903-13
Опорно-направляющие кольца и герметизирующие манжеты
Манжеты стенового ввода МСВ
Кольца диэлектрические Спейсер
Опорно-направляющие кольца ОНК
Герметизирующие манжеты
Укрытия защитные для манжет герметизирующих УЗМГ
Коллекторы и коллекторные группы
Запорные
Запорно-регулирующие
Коллекторы распределительные
Коллекторные группы
Коллекторные фитинги
Комплектующие для коллекторов
Коллекторные шкафы распределительные
Группы быстрого монтажа
Соединительные детали для труб
Фитинги для нержавеющих труб
Фитинги для металлополимерных труб
Фитинги для труб из сшитого полиэтилена
Фитинги для полипропиленовых труб
Фитинги PP канализационные для труб
Фитинги для ПВХ труб
Резьбовые фитинги латунные
Компенсаторы
Стальные фитинги
Фитинги для ПНД труб
Соединительные детали ВЧШГ
Фитинги для труб SML
Фитинги для труб в ППУ изоляции
Кровельные воронки
Для балконов и террас
Комплектующие для кровельных воронок
Для плоских кровель
Регуляторы давления
Трубная изоляция
Термоусаживаемые ленты
Термоусаживаемые манжеты
Ремонтные материалы ТИАЛ-Р и ТИАЛ-З
Термоусаживаемые заглушки
Скорлупы для труб
Термоусаживаемые муфты
Приборы учета, контрольно-измерительные приборы и автоматика
Узлы квартирные
Узлы этажные
Преобразователи (датчики) давления
Манометры
Реле давления
Реле потока
Реле температуры
Термоманометры
Термометры
Счетчики воды
Системы диспетчеризации
Теплосчетчики
Комплектующие для КИПиА
Стальные емкости
Регистры отопления
Регистры отопления РЭ с эллиптическими заглушками
Регистры отопления РП с плоскими заглушками
Регистры отопления РСЭ секционные с эллиптическими заглушками
Регистры отопления РСП секционные с плоскими заглушками
Регистры отопления РЗП змеевиковые с плоскими заглушками
Регистры отопления РЗЭ змеевиковые с эллиптическими заглушками
Регистры отопления РАЭ автономные с эллиптическими заглушками
Регистры отопления РАП автономные с плоскими заглушками
Приводы для трубопроводной арматуры
Электроприводы
Редукторы
Люк для колодца
Пневмозаглушки
Компенсаторы сильфонные
Компенсаторы ОПФН сильфонные
Компенсаторы ОПН сильфонные
Компенсаторы ОПМР сильфонные
Компенсаторы ОПКР сильфонные
Компенсаторы ОПК сильфонные
Компенсаторы ОПГ сильфонные
Компенсаторы КСОР сильфонные
Компенсаторы КСО сильфонные
Компенсаторы 2КСО двухсильфонные
Компенсаторы 2КСОР двухсильфонные
Компенсаторы 2ОПКР двухсильфонные
Компенсаторы 2ОПМР двухсильфонные
Вспомогательное оборудование для стальных труб
Полотенца футеровочные из НСП
Маты футеровочные для железобетонных утяжелителей
Троллейные подвески и роликовые опоры
Подогреватели стыков труб ПСТ
Термоизолирующие пояса ТП
Термозащитные пояса ТЗП
Скальные листы полимерные СЛП
Скальные листы СЛ
Уплотнительные коврики кольцевые ж/б утяжелители УК-СЛ-УТК
Машинки для резки труб
Центраторы для труб
Железобетонные изделия
Лотки для сборных железобетонных каналов марки Л
Железобетонные фундаменты стаканного типа ФЖ
Общестроительные сваи С
Железобетонные плиты ФЛ
Балки перекрытия каналов Б
Плиты перекрытия лотка П
Унифицированные дырчатые блоки ФБП
Фундаментные балки ФБ
Фундаментные блоки ФБС
Колодцы
Трубы
Пластиковые трубы
Металлопластиковые трубы
Чугунные трубы
Трубы в изоляции
Стальные трубы
Трубы профильные
Радиаторы отопления
Электрические
Алюминиевые радиаторы отопления
Биметаллические радиаторы отопления
Дизайн-радиаторы
Панельные радиаторы отопления
Чугунные радиаторы отопления
Радиаторная арматура и комплектующие
Фланцы стальные
Фланцы стальные плоские приварные
Фланцы воротниковые приварные встык
Фланцы прижимные ПНД под ПЭ втулку
Фланцы с ПП покрытием
Фланцевые заглушки
Оросители
Дренчерные оросители
Спринклерные оросители
Стальные канаты
Расширительные баки и гидроаккумуляторы
Баки гидроаккумуляторы
Баки для систем отопления
Сальники для труб
Сальники для труб набивные
Сальники для труб нажимные
Фильтр-патроны для ливневой канализации
Опорные кольца к фильтрам ФОПС
Легкосъемные крышки КЛ
Фильтрующие патроны ФОПС
Ремонтно-соединительная арматура
Муфты ремонтные
Седелки чугунные и хомутовые отводы
Хомуты врезные
Хомутовые отводы
Седловые отводы
Муфты соединительные ПФРК
Ремонтные уплотнители кольцевых пространств РУРС
Муфты обжимные соединительные ДРК
Обжимные фланцы ПФРК и фланцевые адаптеры
Компенсаторы резиновые (вибровставки)
Трубопроводная арматура
Группы безопасности
Фильтры
Клапаны
Вентили
Затворы
Задвижки
Краны шаровые
Пожарные гидранты
Демонтажные вставки
Штоки для запорной арматуры
Вантузы воздушные
Системы защиты от протечек воды
Трапы
66 товаров
Комплектующие для трапов
Кровельные воронки
86 товаров
Для балконов и террас
Поворотный шарнир
Комплектующие для кровельных воронок
Для плоских кровель
Вертикальный выпуск
Горизонтальный выпуск
Пневмозаглушки
61 товар
Оросители
638 товаров
Дренчерные оросители
Спринклерные оросители
Пожарное оборудование
885 товаров
Шкафы пожарные
Краны пожарные
Мотопомпы
Рукава пожарные
Муфты противопожарные
Подставки под гидранты
Стволы пожарные
Подставки под огнетушители
Огнетушители
Огнетушители порошковые (ОП)
Огнетушители углекислотные (ОУ)
Огнетушители воздушно-пенные (ОВП)
Огнетушители воздушно-эмульсионные (ОВЭ)
Огнетушители порошковые специальные (ОПС)
Огнетушители самосрабатывающие
Головки пожарные
Узлы управления
Регуляторы давления
277 товаров
Компенсаторы сильфонные
358 товаров
Компенсаторы ОПФН сильфонные
Компенсаторы ОПК сильфонные
Компенсаторы 2КСО двухсильфонные
Компенсаторы ОПН сильфонные
Компенсаторы ОПГ сильфонные
Компенсаторы 2КСОР двухсильфонные
Компенсаторы ОПМР сильфонные
Компенсаторы КСОР сильфонные
Компенсаторы 2ОПКР двухсильфонные
Компенсаторы ОПКР сильфонные
Компенсаторы КСО сильфонные
Компенсаторы 2ОПМР двухсильфонные
Стальные канаты
481 товар
Лестницы и ограждения
438 товаров
Стальные ограждения
Ограждения для лестниц
Ограждения для площадок
Ограждения для стремянок
Площадки промышленные
Стойки
Стремянки
Лестницы стальные
Лестницы ЛХВ
Лестницы ЛХФ
Лестницы ЛГВ
Лестницы ЛГФ
Лестницы ЛХР
Лестницы ЛГР
Колонны
Трубная изоляция
622 товара
Термоусаживаемые ленты
Скорлупы для труб
Термоусаживаемые манжеты
Термоусаживаемые муфты
Ремонтные материалы ТИАЛ-Р и ТИАЛ-З
Термоусаживаемые заглушки
Вспомогательное оборудование для стальных труб
284 товара
Полотенца футеровочные из НСП
Термоизолирующие пояса ТП
Уплотнительные коврики кольцевые ж/б утяжелители УК-СЛ-УТК
Маты футеровочные для железобетонных утяжелителей
Термозащитные пояса ТЗП
Машинки для резки труб
Троллейные подвески и роликовые опоры
Скальные листы полимерные СЛП
Центраторы для труб
Центраторы наружные
Подогреватели стыков труб ПСТ
Скальные листы СЛ
Расширительные баки и гидроаккумуляторы
449 товаров
Баки гидроаккумуляторы
Баки для систем отопления
Насосы
601 товар
Погружные насосы
Фекальные насосы
Насосы многоступенчатые
Насосы многоступенчатые горизонтальные
Скважинные насосы
Дренажные насосы
Поверхностные насосы
Комплектующие для насосов
Насосные станции
Насосы циркуляционные
Насосы циркуляционные с мокрым ротором
С сухим ротором
Приборы учета, контрольно-измерительные приборы и автоматика
7760 товаров
Узлы квартирные
Реле давления
Термометры
Комплектующие для КИПиА
Бобышки
Гильзы для термометров
Демпферы
Заглушки
Защитные кожухи
Краны кнопочные
Краны трехходовые
Кронштейны для измерительных приборов
Переходники
Разделители сред для измерительных приборов
Соединительные рукава
Трубки для измерительных приборов
Фитинги
Фланцы для манометров
Узлы этажные
Реле потока
Счетчики воды
Электромагнитные расходомеры-счетчики воды
Счетчики воды тахометрические
Преобразователи (датчики) давления
Реле температуры
Системы диспетчеризации
Концентраторы сетевые
Оборудование связи и коммутации
Счетчики импульсов
Манометры
Термоманометры
Теплосчетчики
Ультразвуковые счетчики
Механические счетчики
Железобетонные изделия
454 товара
Лотки для сборных железобетонных каналов марки Л
Балки перекрытия каналов Б
Фундаментные блоки ФБС
Железобетонные фундаменты стаканного типа ФЖ
Плиты перекрытия лотка П
Колодцы
Общестроительные сваи С
Унифицированные дырчатые блоки ФБП
Железобетонные плиты ФЛ
Фундаментные балки ФБ
Сальники для труб
527 товаров
Сальники для труб набивные
Сальники для труб набивные по типовому проекту ВС-02-10
Сальники набивные серии 3.903 КЛ-13 вып.0-1 для труб
Сальники набивные серии 5.900-2
Сальники для труб набивные серии 5.905-26.08
Сальники для труб нажимные
Сальники для труб нажимные ТММ 18-03
Сальники для труб нажимные серии 5.900-3
Сальники для труб нажимные серии 5.905-26.08
Опоры для труб
7326 товаров
Опоры для труб ОСТ 36-10Х-83
Опоры для труб ОСТ 36-103-83
Опоры для труб ОСТ 36-104-83
Опоры для труб ПХ ОСТ 36-105-83
Опоры для труб ПБ ОСТ 36-105-83
Опоры для труб ОСТ 36-107-83
Опоры для труб ОСТ 36-94-83
Опоры для труб ОПБ1
Опоры для труб ОПБ2
Опоры для труб ОПП1
Опоры для труб ОПП2
Опоры для труб ОПП3
Опоры для труб ОПХ1
Опоры для труб ОПХ2
Опоры для труб ОПХ3
Опоры для труб ОСТ 24.125.1ХХ-01
Опоры для труб ОСТ 24.125.151-01
Опоры для труб ОСТ 24.125.153-01
Опоры для труб ОСТ 24.125.158-01
Опоры для труб ОСТ 24.125.160-01
Опоры для труб ОСТ 24.125.161-01
Опоры для труб ОСТ 24.125.163-01
Опоры для труб ОСТ 24.125.165-01
Опоры для труб МН 40ХХ-62
Опоры для труб МН 4020-62
Опоры для труб МН 4018-62
Опоры для труб МН 4017-62
Опоры для труб МН 4016-62
Опоры для труб МН 4015-62
Опоры для труб МН 4014-62
Опоры для труб МН 4013-62
Опоры для труб МН 4012-62
Опоры для труб МН 4011-62
Опоры для труб МН 4010-62
Опоры для труб МН 4009-62
Опоры для труб МН 4008-62
ОСТ 36-146-88 опоры для труб
ТП опоры для труб
ТХ опоры для труб
КП опоры для труб
КХ опоры для труб
ТР опоры для труб
ШП опоры для труб
УП опоры для труб
ХБ опоры для труб
ТО опоры для труб
ВП опоры для труб
КН опоры для труб
Опоры для труб Серия 1-487-1997.01.000
СПО опоры для труб
СПОк опоры для труб
СПОн опоры для труб
ФСО-1 опоры для труб
ФСО-2 опоры для труб
Опоры для труб ОСТ 108.275.ХХ-80
Опоры для труб ОСТ 108.275.25-80
Опоры для труб ОСТ 108.275.26-80
Опоры для труб ОСТ 108.275.27-80
Опоры для труб ОСТ 108.275.28-80
Опоры для труб ОСТ 108.275.29-80
Опоры для труб ОСТ 108.275.30-80
Опоры для труб ОСТ 108.275.31-80
Опоры для труб ОСТ 108.275.32-80
Опоры для труб ОСТ 108.275.33-80
Опоры для труб ОСТ 108.275.34-80
Опоры для труб ОСТ 108.275.35-80
Опоры для труб ОСТ 108.275.36-80
Опоры для труб ОСТ 108.275.37-80
Опоры для труб ОСТ 108.275.38-80
Опоры для труб ОСТ 108.275.42-80
Опоры для труб ОСТ 108.275.45-80
Опоры для труб ОСТ 108.275.47-80
Опоры для труб ОСТ 108.275.49-80
Опоры для труб Серия 4.903-10
Опоры для труб Выпуск 4
Выпуск 5 опоры для труб
Опоры для труб ГОСТ 14911-82
ОПБ1 опоры для труб
ОПБ2 опоры для труб
ОПП1 опоры для труб
ОПП2 опоры для труб
ОПП3 опоры для труб
ОПХ1 опоры для труб
ОПХ2 опоры для труб
ОПХ3 опоры хомутовые для труб
Опоры для труб Л8-1ХХ
Опоры для труб Л8-138
Опоры для труб Л8-141
Опоры для труб Л8-145
Опоры для труб Л8-146
Опоры для труб Л8-147
Опоры для труб Л8-148
Опоры для труб Л8-150
Опоры для труб Л8-180
Опоры для труб Л8-190
Опоры для труб Л8-191
Опоры для труб Л8-192
Опоры для труб Л8-193
Опоры для труб Л8-194
Опоры для труб Л8-196
Опоры для труб Л8-197
Опоры для труб Л8-198
Опоры для труб Л8-199
Опоры для труб Л8-200
Опоры для труб ТПР
Опоры для труб ТПР.04.01(2).00.000
Опоры для труб ТПР.05.06(3).00.000
Опоры для труб ТПР.05.11(4).00.000
Опоры для труб ТПР.05.15(1).00.000
Опоры для труб ТПР.05.18(1).00.000
Опоры для труб ТПР.05.19(2).00.000
Опоры для труб ТПР.05.21(1).00.000
Опоры для труб ТПР.05.24(3).00.000
Опоры для труб ТПР.05.29.00.000
Опоры для труб ТПР.06.34(4).00.000
Опоры для труб ТПР.07.35.00.000
Опоры для труб ТПР.08.13.00.000
Опоры для труб ТПР.08.17(2).00.000
Опоры для труб ТПР.08.38.00.000
Опоры для труб ТПР.08.71(1).00.000
Опоры для труб ТПР.08.73(1).00.000
Опоры для труб ТПР.10.14(1).00.000
Опоры для труб ТПР.13.53(1).00.000
Опоры для труб ТПР.14.05.00.000
Опоры для труб ТПР.14.45.00.000
Опоры для труб Серия 5.903-13
выпуск 6-95
Опоры для труб Выпуск 7-95 Серия 5.903-13
Выпуск 8-95 опоры для труб
Опоры для труб ОСТ 34-10-6ХХ-93
Опоры для труб ОСТ 34-10-610-93
Опоры для труб ОСТ 34-10-611-93
Опоры для труб ОСТ 34-10-612-93
Опоры для труб ОСТ 34-10-613-93
Опоры для труб ОСТ 34-10-614-93
Опоры для труб ОСТ 34-10-615-93
Опоры для труб ОСТ 34-10-616-93
Опоры для труб ОСТ 34-10-617-93
Опоры для труб ОСТ 34-10-618-93
Опоры для труб ОСТ 34-10-619-93
Опоры для труб ОСТ 34-10-620-93
Опоры для труб ОСТ 34-10-621-93
Опоры для труб ОСТ 34-10-622-93
Опоры для труб ОСТ 34-10-623-93
Опоры для труб Л8-5ХХ
Опоры для труб Л8-522
Опоры для труб Л8-523
Опоры для труб Л8-518
Опоры для труб Л8-519
Опоры для труб Л8-509
Опоры для труб Л8-510
Опоры для труб Л8-511
Опоры для труб Л8-512
Опоры для труб Л8-513
Опоры для труб Л8-514
Опоры для труб Л8-517
Опоры для труб ОСТ 36-17-85
Опоры для труб ХО
Опоры для труб ТК
Опоры для труб СО
Опоры для труб ПХ2
Опоры для труб ПХ1
Опоры для труб ПС2
Опоры для труб ПС1
Опоры для труб ПП2
Опоры для труб ПО1
Опоры для труб ПО
Опоры для труб ОХ
Опоры для труб ОС2
Опоры для труб ОС1
Опоры для труб ОП2
Опоры для труб ОН
Опоры для труб ОКА
Опоры для труб ОК
Опоры для труб ОВС
Опоры для труб ОВ
Стальные емкости
66 товаров
Трубы
9218 товаров
Пластиковые трубы
Полипропиленовые трубы
Трубы спиральновитые СВТ
Трубы ПВХ
Трубы дренажные
Трубы PP канализационные
Трубы ПНД
Трубы гофрированные канализационные
Стальные трубы
Трубы из нержавеющей, углеродистой стали
Металлопластиковые трубы
Инструмент для монтажа металлопластиковых труб
Трубы профильные
Прямоугольные трубы
Трубы квадратные
Чугунные трубы
Трубы SML чугунные
Трубы чугунные ВЧШГ
Трубы в изоляции
Гибкие трубы в изоляции
Трубы в ППУ изоляции
Фильтр-патроны для ливневой канализации
122 товара
Опорные кольца к фильтрам ФОПС
Легкосъемные крышки КЛ
Фильтрующие патроны ФОПС
Фильтрующие патроны ФОПС-К
Фильтрующие патроны ФОПС-МУ
Фильтрующие патроны ФОПС-М
Фильтрующие патроны ФОПС-Н
Фильтрующие патроны ФОПС-С
Фильтрующие патроны ФОПС-У
Фильтрующие патроны ФОПС-Ц
Опорно-направляющие кольца и герметизирующие манжеты
1816 товаров
Манжеты стенового ввода МСВ
Укрытия защитные для манжет герметизирующих УЗМГ
Кольца диэлектрические Спейсер
Опорно-направляющие кольца ОНК
Герметизирующие манжеты
Регистры отопления
3480 товаров
Регистры отопления РЭ с эллиптическими заглушками
Регистры отопления РЗП змеевиковые с плоскими заглушками
Регистры отопления РП с плоскими заглушками
Регистры отопления РЗЭ змеевиковые с эллиптическими заглушками
Регистры отопления РСЭ секционные с эллиптическими заглушками
Регистры отопления РАЭ автономные с эллиптическими заглушками
Регистры отопления РСП секционные с плоскими заглушками
Регистры отопления РАП автономные с плоскими заглушками
Радиаторы отопления
19515 товаров
Электрические
Панельные радиаторы отопления
Алюминиевые радиаторы отопления
Чугунные радиаторы отопления
Биметаллические радиаторы отопления
Радиаторная арматура и комплектующие
Дизайн-радиаторы
Ремонтно-соединительная арматура
1520 товаров
Муфты ремонтные
Седловые отводы
Обжимные фланцы ПФРК и фланцевые адаптеры
Фланцы Benarmo
Фланцевые адаптеры Dendor
Фланцевые адаптеры VGA
Фланцевые адаптеры FAF
Фланцевые адаптеры Viking Johnson
Фланцы Dendor
Фланцы AVK
Фланцы Jafar
Фланцы HAWLE
Седелки чугунные и хомутовые отводы
Седелки
Врезные хомуты HAWLE
Муфты соединительные ПФРК
Компенсаторы резиновые (вибровставки)
Гибкие вставки Genebre
Гибкие вставки ABRA
Гибкие вставки ADL
Хомуты врезные
Ремонтные уплотнители кольцевых пространств РУРС
Хомутовые отводы
Муфты обжимные соединительные ДРК
Коллекторы и коллекторные группы
1465 товаров
Запорные
Коллекторные фитинги
Запорно-регулирующие
Комплектующие для коллекторов
Коллекторы распределительные
Коллекторные шкафы распределительные
Коллекторные группы
Группы быстрого монтажа
Приводы для трубопроводной арматуры
610 товаров
Электроприводы
Редукторы
Фланцы стальные
3198 товаров
Фланцы стальные плоские приварные
Фланцевые заглушки
Фланцы воротниковые приварные встык
Фланцы прижимные ПНД под ПЭ втулку
Фланцы с ПП покрытием
Трубопроводная арматура
19379 товаров
Группы безопасности
Затворы
Затворы Kvant
Затворы РАШВОРК
Затворы GENEBRE
Затворы VAG
Затворы ABRA
Затворы дисковые ADL ГРАНВЭЛ
Затворы Dendor
Затворы VGA
Затворы FAF
Демонтажные вставки
Демонтажные вставки VIKING JOHNSON
Демонтажные вставки VGA FL 26.50
Демонтажные вставки JAFAR 9311
Демонтажные вставки HAWLE 9810
Монтажные вставки FAF
Демонтажные вставки AVK
Фильтры
Задвижки
Задвижки клиновые
Задвижки DENDOR
Задвижки ГРАНАР ADL
Задвижки VGA
Задвижки AVK
Задвижки JAFAR
Задвижки HAWLE
Задвижки VAG
Задвижки шиберные
Задвижки шланговые
Задвижки ABRA
Задвижки FAF
VALFEX
Штоки для запорной арматуры
Штоки для задвижек
Штоки для вентилей
Клапаны
Клапаны воздушные
Клапаны игольчатые
Регулирующие клапаны
Балансировочные клапаны
Отсечные клапаны
Предохранительные клапаны
Клапаны запорные
Клапаны электромагнитные
Доп. оборудование для клапанов
Клапаны обратные
Краны шаровые
Краны шаровые бронзовые
Стальные шаровые краны
Краны шаровые латунные
Краны шаровые из нержавеющей стали
Краны шаровые полипропиленовые
Краны шаровые чугунные
Краны шаровые ПЭ полиэтиленовые
Вантузы воздушные
Вантузы воздушные Jafar
Вентили
Вентили запорные
Вентили игольчатые
Пожарные гидранты
Пожарные гидранты VGA
Пожарные гидранты VAG HYDRUS
Пожарные гидранты JAFAR
Пожарные гидранты AVK 35/72
Пожарные гидранты HAWLE DUO-GOST 5035
СпецСнаб
Системы защиты от протечек воды
Готовые системы защиты от протечки воды
Датчики протечки воды
Модули управления
Комплектующие для систем защиты от протечки воды
Соединительные детали для труб
27316 товаров
Фитинги для нержавеющих труб
Фитинги PP канализационные для труб
Фитинг канализационный бесшумный для внутренних сетей
Фитинг канализационный для внутренних сетей
Комплектующие для фитингов ПП канализационных труб
Комплектующие для сифонов
Фитинг канализационный для наружных сетей
Сифоны
Стальные фитинги
Стальные бобышки
Стальные водорозетки
Стальные вставки
Контргайки стальные
Стальные крестовины
Стальные муфты
Стальные ниппели
Стальные обводы
Стальные переходники
Соединители стальные
Угольники стальные
Стальные заглушки
Стальные отводы
Стальные переходы
Стальные тройники
Фитинги для труб в ППУ изоляции
Отводы в ППУ изоляции
Тройники в ППУ изоляции
Компенсаторы сильфонные в ППУ изоляции
Тройники c воздушником в ППУ изоляции
Тройниковые ответвления в ППУ изоляции
Переходы в ППУ изоляции
Концевые элементы в ППУ изоляции
Фитинги для металлополимерных труб
Водорозетки металлополимерные
Гильзы металлополимерные
Крестовины металлополимерные
Переходники металлополимерные
Разъёмные соединения металлополимерные
Соединители металлополимерные
Тройники металлополимерные
Угольники металлополимерные
Фитинги для ПВХ труб
Заглушки для ПВХ труб
Крышки для ПВХ труб
Муфты для ПВХ труб
Отводы для ПВХ труб
Переходы для ПВХ труб
Ревизии для ПВХ труб
Фитинги для ПНД труб
Накладки-ремонтные ПНД
Муфты ПНД
Отводы ПНД
Тройники ПНД ПЭ 100
Крестовины ПНД
Переходы ПНД
Заглушки ПНД
Патрубки накладки ПНД
Седелки для врезки под давлением ПНД
Неразъемные соединения полиэтилен-сталь НСПС
Цокольные вводы
Муфты защитные для прохода ПЭ труб через ЖБ колодец
Опоры из ПНД труб
Втулки под фланцы ПНД ПЭ100
Фитинги для труб из сшитого полиэтилена
Водорозетки
Гильзы надвижные
Заглушки аксиальные
Переходники надвижные
Тройники надвижные
Трубки
Угольники надвижные
Резьбовые фитинги латунные
Адартеры резьбовые латунные
Бочонки резьбовые латунные
Водорозетки резьбовые латунные
Штуцеры резьбовые латунные
Гильзы латунные
Заглушки резьбовые латунные
Контргайки резьбовые латунные
Крестовины резьбовые латунные
Муфты резьбовые латунные
Ниппели резьбовые латунные
Переходники резьбовые латунные
Пробки резьбовые латунные
Сгоны резьбовые латунные
Соединители резьбовые латунные
Тройники резьбовые латунные
Угольники резьбовые латунные
Удлинители резьбовые латунные
Футорки резьбовые латунные
Хомуты резьбовые латунные
Эксцентрики резьбовые латунные
Соединительные детали ВЧШГ
Двойные раструбы чугунные
Тройники чугунные
Колена чугунные
Отводы чугунные
Кресты чугунные
Пожарные подставки чугунные
Патрубки чугунные
Переходы чугунные
Фитинги для полипропиленовых труб
Заглушки полипропиленовые
Компенсаторы полипропиленовые
Крестовины полипропиленовые
Муфты полипропиленовые
Обводы полипропиленовые
Отводы полипропиленовые
Патрубки полипропиленовые
Переходники полипропиленовые
Планки полипропиленовые
Пробки полипропиленовые
Разъёмные соединения полипропиленовые
Тройники полипропиленовые
Угольники полипропиленовые
Штуцеры полипропиленовые
Компенсаторы
Компенсаторы резиновые
Фитинги для труб SML
Заглушки SML
Сифоны SML
Переходники SML
Отводы SML
Ревизии SML
Опорные кольца SML
Крестовины SML
Тройники SML
Люк для колодца
90 товаров
Все результаты
Поиск по магазину
Поиск по магазину
Поиск по блогу
Поиск
Сравнение
0
0
Избранное
0
Корзина
Итого
0
₽
Оформление заказа
Санкт-Петербург
✖
Санкт-Петербург ваш город?
Да
Выбрать другой город
Доставка
Оплата
Реквизиты
Контакты
Карта сайта
Еще
Доставка
Оплата
Реквизиты
Контакты
Карта сайта
zakaz@inzsp.ru
+79936380286
+79936380286
Отдел продаж
Почта
zakaz@inzsp.ru
Адрес
Санкт-Петербург, г. Санкт-Петербург, Афонская улица, д. 2
Время работы
Пн—ПТ 09:00 – 19:00
ИнжСтройПроект
Каталог
Бренды
Весь каталог
Трапы
Кровельные воронки
Пневмозаглушки
Оросители
Пожарное оборудование
Регуляторы давления
Компенсаторы сильфонные
Стальные канаты
Лестницы и ограждения
Трубная изоляция
Вспомогательное оборудование для стальных труб
Расширительные баки и гидроаккумуляторы
Насосы
Приборы учета, контрольно-измерительные приборы и автоматика
Железобетонные изделия
Сальники для труб
Опоры для труб
Стальные емкости
Трубы
Фильтр-патроны для ливневой канализации
Опорно-направляющие кольца и герметизирующие манжеты
Регистры отопления
Радиаторы отопления
Ремонтно-соединительная арматура
Коллекторы и коллекторные группы
Приводы для трубопроводной арматуры
Фланцы стальные
Трубопроводная арматура
Соединительные детали для труб
Люк для колодца
Бренды
139 брендов
ABRA
ADL
ALLURE
ALSO
Aquario
Aquasfera
Askon
AUMA
AVK
BARBERI
Benarmo
BONTEL
BROEN
Champion
Cimberio
CMO
COREX
Daeyoun
Daishin
Danfoss
DENDOR
DOMEX
Ekoplastik
ERHARD
FAF
FAR
FDPlast
Flamco
FORTECA
FOX
Frialen
GENEBRE
Georg Fischer GF
GIDRUSS
Groen
GROSS
Grundfos
Hawle
HL
Honda
ITAP
Jafar
Kalde
Koshin
KRATS
Kvant
LD
Luxor
MAGNUM
Meibes
NAVAL
ORKO
Ostendorf
Oventrop
PAM Saint-Gobain
Polycorr
Polytec
Polytron ProKan
PRAGMA
Pro Aqua
Reflex
REHAU
RIDGID
RIFAR
ROMMER
Royal Thermo
Saint-Gobain
SMART-JOINT
Stahlmann
STAR
STOUT
TAG Pipe
Talis (Belgicast)
Tecofi
Tiemme
Trans-Quadro
Unipump
UR-CAST
VAG
Vaillant
VALFEX
VALSTOK
Valtec
Vexve
VGA
Viking Johnson
VIR
Warme
Watts
Wester
Wika
Yanmar
ZETKAMA
Апогей
Балтика-01
БЭФ
Вепрь
Водомер
ГИС (Гидроизоляционные сооружения)
ДЕКАСТ
Джилекс
Завод Водоприбор МЗВ
Завод им. Гаджиева
Изоком
Икапласт
ЛМЗ
Маршал
Не указан
Нептун
НОРМА ИС
Огнеборец
Пожнанотех
Пожтехника
ПОЛИМЕРТЕПЛО
Полипластик
Рашворк
Ридан
РИФ
РОСМА
Русинтэк
Свободный Сокол
Сибрезинотехника
Спецавтоматика Бийск
СпецСнаб
Татполимер
ТВЭЛ-ПЭКС
Тепловодомер
Теплосила
ТЕРМА
ТИАЛ
УЗТПА
ФАЭКС
Хемкор
ЭКО НОМ
ЭКОМЕРА
Энерготехномаш
ЭНЭКОС
Эпотос-К
Ярпожинвест
Весь каталог
Трапы
Комплектующие для трапов
Пожарное оборудование
Шкафы пожарные
Рукава пожарные
Стволы пожарные
Головки пожарные
Краны пожарные
Муфты противопожарные
Подставки под огнетушители
Узлы управления
Мотопомпы
Подставки под гидранты
Огнетушители
Лестницы и ограждения
Стальные ограждения
Стойки
Лестницы стальные
Колонны
Площадки промышленные
Стремянки
Насосы
Погружные насосы
Скважинные насосы
Поверхностные насосы
Насосные станции
Фекальные насосы
Дренажные насосы
Комплектующие для насосов
Насосы циркуляционные
Насосы многоступенчатые
Опоры для труб
Опоры для труб ОСТ 36-10Х-83
ОСТ 36-146-88 опоры для труб
Опоры для труб ГОСТ 14911-82
Опоры для труб ОСТ 34-10-6ХХ-93
Опоры для труб ОСТ 36-94-83
Опоры для труб Серия 1-487-1997.01.000
Опоры для труб Л8-1ХХ
Опоры для труб Л8-5ХХ
Опоры для труб ОСТ 24.125.1ХХ-01
Опоры для труб ОСТ 108.275.ХХ-80
Опоры для труб ТПР
Опоры для труб ОСТ 36-17-85
Опоры для труб МН 40ХХ-62
Опоры для труб Серия 4.903-10
Опоры для труб Серия 5.903-13
Опорно-направляющие кольца и герметизирующие манжеты
Манжеты стенового ввода МСВ
Кольца диэлектрические Спейсер
Опорно-направляющие кольца ОНК
Герметизирующие манжеты
Укрытия защитные для манжет герметизирующих УЗМГ
Коллекторы и коллекторные группы
Запорные
Запорно-регулирующие
Коллекторы распределительные
Коллекторные группы
Коллекторные фитинги
Комплектующие для коллекторов
Коллекторные шкафы распределительные
Группы быстрого монтажа
Соединительные детали для труб
Фитинги для нержавеющих труб
Фитинги для металлополимерных труб
Фитинги для труб из сшитого полиэтилена
Фитинги для полипропиленовых труб
Фитинги PP канализационные для труб
Фитинги для ПВХ труб
Резьбовые фитинги латунные
Компенсаторы
Стальные фитинги
Фитинги для ПНД труб
Соединительные детали ВЧШГ
Фитинги для труб SML
Фитинги для труб в ППУ изоляции
Кровельные воронки
Для балконов и террас
Комплектующие для кровельных воронок
Для плоских кровель
Регуляторы давления
Трубная изоляция
Термоусаживаемые ленты
Термоусаживаемые манжеты
Ремонтные материалы ТИАЛ-Р и ТИАЛ-З
Термоусаживаемые заглушки
Скорлупы для труб
Термоусаживаемые муфты
Приборы учета, контрольно-измерительные приборы и автоматика
Узлы квартирные
Узлы этажные
Преобразователи (датчики) давления
Манометры
Реле давления
Реле потока
Реле температуры
Термоманометры
Термометры
Счетчики воды
Системы диспетчеризации
Теплосчетчики
Комплектующие для КИПиА
Стальные емкости
Регистры отопления
Регистры отопления РЭ с эллиптическими заглушками
Регистры отопления РП с плоскими заглушками
Регистры отопления РСЭ секционные с эллиптическими заглушками
Регистры отопления РСП секционные с плоскими заглушками
Регистры отопления РЗП змеевиковые с плоскими заглушками
Регистры отопления РЗЭ змеевиковые с эллиптическими заглушками
Регистры отопления РАЭ автономные с эллиптическими заглушками
Регистры отопления РАП автономные с плоскими заглушками
Приводы для трубопроводной арматуры
Электроприводы
Редукторы
Люк для колодца
Пневмозаглушки
Компенсаторы сильфонные
Компенсаторы ОПФН сильфонные
Компенсаторы ОПН сильфонные
Компенсаторы ОПМР сильфонные
Компенсаторы ОПКР сильфонные
Компенсаторы ОПК сильфонные
Компенсаторы ОПГ сильфонные
Компенсаторы КСОР сильфонные
Компенсаторы КСО сильфонные
Компенсаторы 2КСО двухсильфонные
Компенсаторы 2КСОР двухсильфонные
Компенсаторы 2ОПКР двухсильфонные
Компенсаторы 2ОПМР двухсильфонные
Вспомогательное оборудование для стальных труб
Полотенца футеровочные из НСП
Маты футеровочные для железобетонных утяжелителей
Троллейные подвески и роликовые опоры
Подогреватели стыков труб ПСТ
Термоизолирующие пояса ТП
Термозащитные пояса ТЗП
Скальные листы полимерные СЛП
Скальные листы СЛ
Уплотнительные коврики кольцевые ж/б утяжелители УК-СЛ-УТК
Машинки для резки труб
Центраторы для труб
Железобетонные изделия
Лотки для сборных железобетонных каналов марки Л
Железобетонные фундаменты стаканного типа ФЖ
Общестроительные сваи С
Железобетонные плиты ФЛ
Балки перекрытия каналов Б
Плиты перекрытия лотка П
Унифицированные дырчатые блоки ФБП
Фундаментные балки ФБ
Фундаментные блоки ФБС
Колодцы
Трубы
Пластиковые трубы
Металлопластиковые трубы
Чугунные трубы
Трубы в изоляции
Стальные трубы
Трубы профильные
Радиаторы отопления
Электрические
Алюминиевые радиаторы отопления
Биметаллические радиаторы отопления
Дизайн-радиаторы
Панельные радиаторы отопления
Чугунные радиаторы отопления
Радиаторная арматура и комплектующие
Фланцы стальные
Фланцы стальные плоские приварные
Фланцы воротниковые приварные встык
Фланцы прижимные ПНД под ПЭ втулку
Фланцы с ПП покрытием
Фланцевые заглушки
Оросители
Дренчерные оросители
Спринклерные оросители
Стальные канаты
Расширительные баки и гидроаккумуляторы
Баки гидроаккумуляторы
Баки для систем отопления
Сальники для труб
Сальники для труб набивные
Сальники для труб нажимные
Фильтр-патроны для ливневой канализации
Опорные кольца к фильтрам ФОПС
Легкосъемные крышки КЛ
Фильтрующие патроны ФОПС
Ремонтно-соединительная арматура
Муфты ремонтные
Седелки чугунные и хомутовые отводы
Хомуты врезные
Хомутовые отводы
Седловые отводы
Муфты соединительные ПФРК
Ремонтные уплотнители кольцевых пространств РУРС
Муфты обжимные соединительные ДРК
Обжимные фланцы ПФРК и фланцевые адаптеры
Компенсаторы резиновые (вибровставки)
Трубопроводная арматура
Группы безопасности
Фильтры
Клапаны
Вентили
Затворы
Задвижки
Краны шаровые
Пожарные гидранты
Демонтажные вставки
Штоки для запорной арматуры
Вантузы воздушные
Системы защиты от протечек воды
Трапы
66 товаров
Комплектующие для трапов
Кровельные воронки
86 товаров
Для балконов и террас
Поворотный шарнир
Комплектующие для кровельных воронок
Для плоских кровель
Вертикальный выпуск
Горизонтальный выпуск
Пневмозаглушки
61 товар
Оросители
638 товаров
Дренчерные оросители
Спринклерные оросители
Пожарное оборудование
885 товаров
Шкафы пожарные
Краны пожарные
Мотопомпы
Рукава пожарные
Муфты противопожарные
Подставки под гидранты
Стволы пожарные
Подставки под огнетушители
Огнетушители
Огнетушители порошковые (ОП)
Огнетушители углекислотные (ОУ)
Огнетушители воздушно-пенные (ОВП)
Огнетушители воздушно-эмульсионные (ОВЭ)
Огнетушители порошковые специальные (ОПС)
Огнетушители самосрабатывающие
Головки пожарные
Узлы управления
Регуляторы давления
277 товаров
Компенсаторы сильфонные
358 товаров
Компенсаторы ОПФН сильфонные
Компенсаторы ОПК сильфонные
Компенсаторы 2КСО двухсильфонные
Компенсаторы ОПН сильфонные
Компенсаторы ОПГ сильфонные
Компенсаторы 2КСОР двухсильфонные
Компенсаторы ОПМР сильфонные
Компенсаторы КСОР сильфонные
Компенсаторы 2ОПКР двухсильфонные
Компенсаторы ОПКР сильфонные
Компенсаторы КСО сильфонные
Компенсаторы 2ОПМР двухсильфонные
Стальные канаты
481 товар
Лестницы и ограждения
438 товаров
Стальные ограждения
Ограждения для лестниц
Ограждения для площадок
Ограждения для стремянок
Площадки промышленные
Стойки
Стремянки
Лестницы стальные
Лестницы ЛХВ
Лестницы ЛХФ
Лестницы ЛГВ
Лестницы ЛГФ
Лестницы ЛХР
Лестницы ЛГР
Колонны
Трубная изоляция
622 товара
Термоусаживаемые ленты
Скорлупы для труб
Термоусаживаемые манжеты
Термоусаживаемые муфты
Ремонтные материалы ТИАЛ-Р и ТИАЛ-З
Термоусаживаемые заглушки
Вспомогательное оборудование для стальных труб
284 товара
Полотенца футеровочные из НСП
Термоизолирующие пояса ТП
Уплотнительные коврики кольцевые ж/б утяжелители УК-СЛ-УТК
Маты футеровочные для железобетонных утяжелителей
Термозащитные пояса ТЗП
Машинки для резки труб
Троллейные подвески и роликовые опоры
Скальные листы полимерные СЛП
Центраторы для труб
Центраторы наружные
Подогреватели стыков труб ПСТ
Скальные листы СЛ
Расширительные баки и гидроаккумуляторы
449 товаров
Баки гидроаккумуляторы
Баки для систем отопления
Насосы
601 товар
Погружные насосы
Фекальные насосы
Насосы многоступенчатые
Насосы многоступенчатые горизонтальные
Скважинные насосы
Дренажные насосы
Поверхностные насосы
Комплектующие для насосов
Насосные станции
Насосы циркуляционные
Насосы циркуляционные с мокрым ротором
С сухим ротором
Приборы учета, контрольно-измерительные приборы и автоматика
7760 товаров
Узлы квартирные
Реле давления
Термометры
Комплектующие для КИПиА
Бобышки
Гильзы для термометров
Демпферы
Заглушки
Защитные кожухи
Краны кнопочные
Краны трехходовые
Кронштейны для измерительных приборов
Переходники
Разделители сред для измерительных приборов
Соединительные рукава
Трубки для измерительных приборов
Фитинги
Фланцы для манометров
Узлы этажные
Реле потока
Счетчики воды
Электромагнитные расходомеры-счетчики воды
Счетчики воды тахометрические
Преобразователи (датчики) давления
Реле температуры
Системы диспетчеризации
Концентраторы сетевые
Оборудование связи и коммутации
Счетчики импульсов
Манометры
Термоманометры
Теплосчетчики
Ультразвуковые счетчики
Механические счетчики
Железобетонные изделия
454 товара
Лотки для сборных железобетонных каналов марки Л
Балки перекрытия каналов Б
Фундаментные блоки ФБС
Железобетонные фундаменты стаканного типа ФЖ
Плиты перекрытия лотка П
Колодцы
Общестроительные сваи С
Унифицированные дырчатые блоки ФБП
Железобетонные плиты ФЛ
Фундаментные балки ФБ
Сальники для труб
527 товаров
Сальники для труб набивные
Сальники для труб набивные по типовому проекту ВС-02-10
Сальники набивные серии 3.903 КЛ-13 вып.0-1 для труб
Сальники набивные серии 5.900-2
Сальники для труб набивные серии 5.905-26.08
Сальники для труб нажимные
Сальники для труб нажимные ТММ 18-03
Сальники для труб нажимные серии 5.900-3
Сальники для труб нажимные серии 5.905-26.08
Опоры для труб
7326 товаров
Опоры для труб ОСТ 36-10Х-83
Опоры для труб ОСТ 36-103-83
Опоры для труб ОСТ 36-104-83
Опоры для труб ПХ ОСТ 36-105-83
Опоры для труб ПБ ОСТ 36-105-83
Опоры для труб ОСТ 36-107-83
Опоры для труб ОСТ 36-94-83
Опоры для труб ОПБ1
Опоры для труб ОПБ2
Опоры для труб ОПП1
Опоры для труб ОПП2
Опоры для труб ОПП3
Опоры для труб ОПХ1
Опоры для труб ОПХ2
Опоры для труб ОПХ3
Опоры для труб ОСТ 24.125.1ХХ-01
Опоры для труб ОСТ 24.125.151-01
Опоры для труб ОСТ 24.125.153-01
Опоры для труб ОСТ 24.125.158-01
Опоры для труб ОСТ 24.125.160-01
Опоры для труб ОСТ 24.125.161-01
Опоры для труб ОСТ 24.125.163-01
Опоры для труб ОСТ 24.125.165-01
Опоры для труб МН 40ХХ-62
Опоры для труб МН 4020-62
Опоры для труб МН 4018-62
Опоры для труб МН 4017-62
Опоры для труб МН 4016-62
Опоры для труб МН 4015-62
Опоры для труб МН 4014-62
Опоры для труб МН 4013-62
Опоры для труб МН 4012-62
Опоры для труб МН 4011-62
Опоры для труб МН 4010-62
Опоры для труб МН 4009-62
Опоры для труб МН 4008-62
ОСТ 36-146-88 опоры для труб
ТП опоры для труб
ТХ опоры для труб
КП опоры для труб
КХ опоры для труб
ТР опоры для труб
ШП опоры для труб
УП опоры для труб
ХБ опоры для труб
ТО опоры для труб
ВП опоры для труб
КН опоры для труб
Опоры для труб Серия 1-487-1997.01.000
СПО опоры для труб
СПОк опоры для труб
СПОн опоры для труб
ФСО-1 опоры для труб
ФСО-2 опоры для труб
Опоры для труб ОСТ 108.275.ХХ-80
Опоры для труб ОСТ 108.275.25-80
Опоры для труб ОСТ 108.275.26-80
Опоры для труб ОСТ 108.275.27-80
Опоры для труб ОСТ 108.275.28-80
Опоры для труб ОСТ 108.275.29-80
Опоры для труб ОСТ 108.275.30-80
Опоры для труб ОСТ 108.275.31-80
Опоры для труб ОСТ 108.275.32-80
Опоры для труб ОСТ 108.275.33-80
Опоры для труб ОСТ 108.275.34-80
Опоры для труб ОСТ 108.275.35-80
Опоры для труб ОСТ 108.275.36-80
Опоры для труб ОСТ 108.275.37-80
Опоры для труб ОСТ 108.275.38-80
Опоры для труб ОСТ 108.275.42-80
Опоры для труб ОСТ 108.275.45-80
Опоры для труб ОСТ 108.275.47-80
Опоры для труб ОСТ 108.275.49-80
Опоры для труб Серия 4.903-10
Опоры для труб Выпуск 4
Выпуск 5 опоры для труб
Опоры для труб ГОСТ 14911-82
ОПБ1 опоры для труб
ОПБ2 опоры для труб
ОПП1 опоры для труб
ОПП2 опоры для труб
ОПП3 опоры для труб
ОПХ1 опоры для труб
ОПХ2 опоры для труб
ОПХ3 опоры хомутовые для труб
Опоры для труб Л8-1ХХ
Опоры для труб Л8-138
Опоры для труб Л8-141
Опоры для труб Л8-145
Опоры для труб Л8-146
Опоры для труб Л8-147
Опоры для труб Л8-148
Опоры для труб Л8-150
Опоры для труб Л8-180
Опоры для труб Л8-190
Опоры для труб Л8-191
Опоры для труб Л8-192
Опоры для труб Л8-193
Опоры для труб Л8-194
Опоры для труб Л8-196
Опоры для труб Л8-197
Опоры для труб Л8-198
Опоры для труб Л8-199
Опоры для труб Л8-200
Опоры для труб ТПР
Опоры для труб ТПР.04.01(2).00.000
Опоры для труб ТПР.05.06(3).00.000
Опоры для труб ТПР.05.11(4).00.000
Опоры для труб ТПР.05.15(1).00.000
Опоры для труб ТПР.05.18(1).00.000
Опоры для труб ТПР.05.19(2).00.000
Опоры для труб ТПР.05.21(1).00.000
Опоры для труб ТПР.05.24(3).00.000
Опоры для труб ТПР.05.29.00.000
Опоры для труб ТПР.06.34(4).00.000
Опоры для труб ТПР.07.35.00.000
Опоры для труб ТПР.08.13.00.000
Опоры для труб ТПР.08.17(2).00.000
Опоры для труб ТПР.08.38.00.000
Опоры для труб ТПР.08.71(1).00.000
Опоры для труб ТПР.08.73(1).00.000
Опоры для труб ТПР.10.14(1).00.000
Опоры для труб ТПР.13.53(1).00.000
Опоры для труб ТПР.14.05.00.000
Опоры для труб ТПР.14.45.00.000
Опоры для труб Серия 5.903-13
выпуск 6-95
Опоры для труб Выпуск 7-95 Серия 5.903-13
Выпуск 8-95 опоры для труб
Опоры для труб ОСТ 34-10-6ХХ-93
Опоры для труб ОСТ 34-10-610-93
Опоры для труб ОСТ 34-10-611-93
Опоры для труб ОСТ 34-10-612-93
Опоры для труб ОСТ 34-10-613-93
Опоры для труб ОСТ 34-10-614-93
Опоры для труб ОСТ 34-10-615-93
Опоры для труб ОСТ 34-10-616-93
Опоры для труб ОСТ 34-10-617-93
Опоры для труб ОСТ 34-10-618-93
Опоры для труб ОСТ 34-10-619-93
Опоры для труб ОСТ 34-10-620-93
Опоры для труб ОСТ 34-10-621-93
Опоры для труб ОСТ 34-10-622-93
Опоры для труб ОСТ 34-10-623-93
Опоры для труб Л8-5ХХ
Опоры для труб Л8-522
Опоры для труб Л8-523
Опоры для труб Л8-518
Опоры для труб Л8-519
Опоры для труб Л8-509
Опоры для труб Л8-510
Опоры для труб Л8-511
Опоры для труб Л8-512
Опоры для труб Л8-513
Опоры для труб Л8-514
Опоры для труб Л8-517
Опоры для труб ОСТ 36-17-85
Опоры для труб ХО
Опоры для труб ТК
Опоры для труб СО
Опоры для труб ПХ2
Опоры для труб ПХ1
Опоры для труб ПС2
Опоры для труб ПС1
Опоры для труб ПП2
Опоры для труб ПО1
Опоры для труб ПО
Опоры для труб ОХ
Опоры для труб ОС2
Опоры для труб ОС1
Опоры для труб ОП2
Опоры для труб ОН
Опоры для труб ОКА
Опоры для труб ОК
Опоры для труб ОВС
Опоры для труб ОВ
Стальные емкости
66 товаров
Трубы
9218 товаров
Пластиковые трубы
Полипропиленовые трубы
Трубы спиральновитые СВТ
Трубы ПВХ
Трубы дренажные
Трубы PP канализационные
Трубы ПНД
Трубы гофрированные канализационные
Стальные трубы
Трубы из нержавеющей, углеродистой стали
Металлопластиковые трубы
Инструмент для монтажа металлопластиковых труб
Трубы профильные
Прямоугольные трубы
Трубы квадратные
Чугунные трубы
Трубы SML чугунные
Трубы чугунные ВЧШГ
Трубы в изоляции
Гибкие трубы в изоляции
Трубы в ППУ изоляции
Фильтр-патроны для ливневой канализации
122 товара
Опорные кольца к фильтрам ФОПС
Легкосъемные крышки КЛ
Фильтрующие патроны ФОПС
Фильтрующие патроны ФОПС-К
Фильтрующие патроны ФОПС-МУ
Фильтрующие патроны ФОПС-М
Фильтрующие патроны ФОПС-Н
Фильтрующие патроны ФОПС-С
Фильтрующие патроны ФОПС-У
Фильтрующие патроны ФОПС-Ц
Опорно-направляющие кольца и герметизирующие манжеты
1816 товаров
Манжеты стенового ввода МСВ
Укрытия защитные для манжет герметизирующих УЗМГ
Кольца диэлектрические Спейсер
Опорно-направляющие кольца ОНК
Герметизирующие манжеты
Регистры отопления
3480 товаров
Регистры отопления РЭ с эллиптическими заглушками
Регистры отопления РЗП змеевиковые с плоскими заглушками
Регистры отопления РП с плоскими заглушками
Регистры отопления РЗЭ змеевиковые с эллиптическими заглушками
Регистры отопления РСЭ секционные с эллиптическими заглушками
Регистры отопления РАЭ автономные с эллиптическими заглушками
Регистры отопления РСП секционные с плоскими заглушками
Регистры отопления РАП автономные с плоскими заглушками
Радиаторы отопления
19515 товаров
Электрические
Панельные радиаторы отопления
Алюминиевые радиаторы отопления
Чугунные радиаторы отопления
Биметаллические радиаторы отопления
Радиаторная арматура и комплектующие
Дизайн-радиаторы
Ремонтно-соединительная арматура
1520 товаров
Муфты ремонтные
Седловые отводы
Обжимные фланцы ПФРК и фланцевые адаптеры
Фланцы Benarmo
Фланцевые адаптеры Dendor
Фланцевые адаптеры VGA
Фланцевые адаптеры FAF
Фланцевые адаптеры Viking Johnson
Фланцы Dendor
Фланцы AVK
Фланцы Jafar
Фланцы HAWLE
Седелки чугунные и хомутовые отводы
Седелки
Врезные хомуты HAWLE
Муфты соединительные ПФРК
Компенсаторы резиновые (вибровставки)
Гибкие вставки Genebre
Гибкие вставки ABRA
Гибкие вставки ADL
Хомуты врезные
Ремонтные уплотнители кольцевых пространств РУРС
Хомутовые отводы
Муфты обжимные соединительные ДРК
Коллекторы и коллекторные группы
1465 товаров
Запорные
Коллекторные фитинги
Запорно-регулирующие
Комплектующие для коллекторов
Коллекторы распределительные
Коллекторные шкафы распределительные
Коллекторные группы
Группы быстрого монтажа
Приводы для трубопроводной арматуры
610 товаров
Электроприводы
Редукторы
Фланцы стальные
3198 товаров
Фланцы стальные плоские приварные
Фланцевые заглушки
Фланцы воротниковые приварные встык
Фланцы прижимные ПНД под ПЭ втулку
Фланцы с ПП покрытием
Трубопроводная арматура
19379 товаров
Группы безопасности
Затворы
Затворы Kvant
Затворы РАШВОРК
Затворы GENEBRE
Затворы VAG
Затворы ABRA
Затворы дисковые ADL ГРАНВЭЛ
Затворы Dendor
Затворы VGA
Затворы FAF
Демонтажные вставки
Демонтажные вставки VIKING JOHNSON
Демонтажные вставки VGA FL 26.50
Демонтажные вставки JAFAR 9311
Демонтажные вставки HAWLE 9810
Монтажные вставки FAF
Демонтажные вставки AVK
Фильтры
Задвижки
Задвижки клиновые
Задвижки DENDOR
Задвижки ГРАНАР ADL
Задвижки VGA
Задвижки AVK
Задвижки JAFAR
Задвижки HAWLE
Задвижки VAG
Задвижки шиберные
Задвижки шланговые
Задвижки ABRA
Задвижки FAF
VALFEX
Штоки для запорной арматуры
Штоки для задвижек
Штоки для вентилей
Клапаны
Клапаны воздушные
Клапаны игольчатые
Регулирующие клапаны
Балансировочные клапаны
Отсечные клапаны
Предохранительные клапаны
Клапаны запорные
Клапаны электромагнитные
Доп. оборудование для клапанов
Клапаны обратные
Краны шаровые
Краны шаровые бронзовые
Стальные шаровые краны
Краны шаровые латунные
Краны шаровые из нержавеющей стали
Краны шаровые полипропиленовые
Краны шаровые чугунные
Краны шаровые ПЭ полиэтиленовые
Вантузы воздушные
Вантузы воздушные Jafar
Вентили
Вентили запорные
Вентили игольчатые
Пожарные гидранты
Пожарные гидранты VGA
Пожарные гидранты VAG HYDRUS
Пожарные гидранты JAFAR
Пожарные гидранты AVK 35/72
Пожарные гидранты HAWLE DUO-GOST 5035
СпецСнаб
Системы защиты от протечек воды
Готовые системы защиты от протечки воды
Датчики протечки воды
Модули управления
Комплектующие для систем защиты от протечки воды
Соединительные детали для труб
27316 товаров
Фитинги для нержавеющих труб
Фитинги PP канализационные для труб
Фитинг канализационный бесшумный для внутренних сетей
Фитинг канализационный для внутренних сетей
Комплектующие для фитингов ПП канализационных труб
Комплектующие для сифонов
Фитинг канализационный для наружных сетей
Сифоны
Стальные фитинги
Стальные бобышки
Стальные водорозетки
Стальные вставки
Контргайки стальные
Стальные крестовины
Стальные муфты
Стальные ниппели
Стальные обводы
Стальные переходники
Соединители стальные
Угольники стальные
Стальные заглушки
Стальные отводы
Стальные переходы
Стальные тройники
Фитинги для труб в ППУ изоляции
Отводы в ППУ изоляции
Тройники в ППУ изоляции
Компенсаторы сильфонные в ППУ изоляции
Тройники c воздушником в ППУ изоляции
Тройниковые ответвления в ППУ изоляции
Переходы в ППУ изоляции
Концевые элементы в ППУ изоляции
Фитинги для металлополимерных труб
Водорозетки металлополимерные
Гильзы металлополимерные
Крестовины металлополимерные
Переходники металлополимерные
Разъёмные соединения металлополимерные
Соединители металлополимерные
Тройники металлополимерные
Угольники металлополимерные
Фитинги для ПВХ труб
Заглушки для ПВХ труб
Крышки для ПВХ труб
Муфты для ПВХ труб
Отводы для ПВХ труб
Переходы для ПВХ труб
Ревизии для ПВХ труб
Фитинги для ПНД труб
Накладки-ремонтные ПНД
Муфты ПНД
Отводы ПНД
Тройники ПНД ПЭ 100
Крестовины ПНД
Переходы ПНД
Заглушки ПНД
Патрубки накладки ПНД
Седелки для врезки под давлением ПНД
Неразъемные соединения полиэтилен-сталь НСПС
Цокольные вводы
Муфты защитные для прохода ПЭ труб через ЖБ колодец
Опоры из ПНД труб
Втулки под фланцы ПНД ПЭ100
Фитинги для труб из сшитого полиэтилена
Водорозетки
Гильзы надвижные
Заглушки аксиальные
Переходники надвижные
Тройники надвижные
Трубки
Угольники надвижные
Резьбовые фитинги латунные
Адартеры резьбовые латунные
Бочонки резьбовые латунные
Водорозетки резьбовые латунные
Штуцеры резьбовые латунные
Гильзы латунные
Заглушки резьбовые латунные
Контргайки резьбовые латунные
Крестовины резьбовые латунные
Муфты резьбовые латунные
Ниппели резьбовые латунные
Переходники резьбовые латунные
Пробки резьбовые латунные
Сгоны резьбовые латунные
Соединители резьбовые латунные
Тройники резьбовые латунные
Угольники резьбовые латунные
Удлинители резьбовые латунные
Футорки резьбовые латунные
Хомуты резьбовые латунные
Эксцентрики резьбовые латунные
Соединительные детали ВЧШГ
Двойные раструбы чугунные
Тройники чугунные
Колена чугунные
Отводы чугунные
Кресты чугунные
Пожарные подставки чугунные
Патрубки чугунные
Переходы чугунные
Фитинги для полипропиленовых труб
Заглушки полипропиленовые
Компенсаторы полипропиленовые
Крестовины полипропиленовые
Муфты полипропиленовые
Обводы полипропиленовые
Отводы полипропиленовые
Патрубки полипропиленовые
Переходники полипропиленовые
Планки полипропиленовые
Пробки полипропиленовые
Разъёмные соединения полипропиленовые
Тройники полипропиленовые
Угольники полипропиленовые
Штуцеры полипропиленовые
Компенсаторы
Компенсаторы резиновые
Фитинги для труб SML
Заглушки SML
Сифоны SML
Переходники SML
Отводы SML
Ревизии SML
Опорные кольца SML
Крестовины SML
Тройники SML
Люк для колодца
90 товаров
Все результаты
Поиск по магазину
Поиск по магазину
Поиск по блогу
Поиск
Сравнение
0
0
Избранное
0
Корзина
Итого
0
₽
Оформление заказа
Бренды
ABRA
ADL
ALLURE
ALSO
Aquario
Aquasfera
Askon
AUMA
AVK
BARBERI
Benarmo
BONTEL
BROEN
Champion
Cimberio
CMO
COREX
Daeyoun
Daishin
Danfoss
DENDOR
DOMEX
Ekoplastik
ERHARD
FAF
FAR
FDPlast
Flamco
FORTECA
FOX
Frialen
GENEBRE
Georg Fischer GF
GIDRUSS
Groen
GROSS
Grundfos
Hawle
HL
Honda
ITAP
Jafar
Kalde
Koshin
KRATS
Kvant
LD
Luxor
MAGNUM
Meibes
NAVAL
ORKO
Ostendorf
Oventrop
PAM Saint-Gobain
Polycorr
Polytec
Polytron ProKan
PRAGMA
Pro Aqua
Reflex
REHAU
RIDGID
RIFAR
ROMMER
Royal Thermo
Saint-Gobain
SMART-JOINT
Stahlmann
STAR
STOUT
TAG Pipe
Talis (Belgicast)
Tecofi
Tiemme
Trans-Quadro
Unipump
UR-CAST
VAG
Vaillant
VALFEX
VALSTOK
Valtec
Vexve
VGA
Viking Johnson
VIR
Warme
Watts
Wester
Wika
Yanmar
ZETKAMA
Апогей
Балтика-01
БЭФ
Вепрь
Водомер
ГИС (Гидроизоляционные сооружения)
ДЕКАСТ
Джилекс
Завод Водоприбор МЗВ
Завод им. Гаджиева
Изоком
Икапласт
ЛМЗ
Маршал
Не указан
Нептун
НОРМА ИС
Огнеборец
Пожнанотех
Пожтехника
ПОЛИМЕРТЕПЛО
Полипластик
Рашворк
Ридан
РИФ
РОСМА
Русинтэк
Свободный Сокол
Сибрезинотехника
Спецавтоматика Бийск
СпецСнаб
Татполимер
ТВЭЛ-ПЭКС
Тепловодомер
Теплосила
ТЕРМА
ТИАЛ
УЗТПА
ФАЭКС
Хемкор
ЭКО НОМ
ЭКОМЕРА
Энерготехномаш
ЭНЭКОС
Эпотос-К
Ярпожинвест
Трапы
Комплектующие для трапов
Кровельные воронки
Для балконов и террас
Поворотный шарнир
Комплектующие для кровельных воронок
Для плоских кровель
Вертикальный выпуск
Горизонтальный выпуск
Пневмозаглушки
Оросители
Дренчерные оросители
Спринклерные оросители
Пожарное оборудование
Шкафы пожарные
Краны пожарные
Мотопомпы
Рукава пожарные
Муфты противопожарные
Подставки под гидранты
Стволы пожарные
Подставки под огнетушители
Огнетушители
Огнетушители порошковые (ОП)
Огнетушители углекислотные (ОУ)
Огнетушители воздушно-пенные (ОВП)
Огнетушители воздушно-эмульсионные (ОВЭ)
Огнетушители порошковые специальные (ОПС)
Огнетушители самосрабатывающие
Головки пожарные
Узлы управления
Регуляторы давления
Компенсаторы сильфонные
Компенсаторы ОПФН сильфонные
Компенсаторы ОПК сильфонные
Компенсаторы 2КСО двухсильфонные
Компенсаторы ОПН сильфонные
Компенсаторы ОПГ сильфонные
Компенсаторы 2КСОР двухсильфонные
Компенсаторы ОПМР сильфонные
Компенсаторы КСОР сильфонные
Компенсаторы 2ОПКР двухсильфонные
Компенсаторы ОПКР сильфонные
Компенсаторы КСО сильфонные
Компенсаторы 2ОПМР двухсильфонные
Стальные канаты
Лестницы и ограждения
Стальные ограждения
Ограждения для лестниц
Ограждения для площадок
Ограждения для стремянок
Площадки промышленные
Стойки
Стремянки
Лестницы стальные
Лестницы ЛХВ
Лестницы ЛХФ
Лестницы ЛГВ
Лестницы ЛГФ
Лестницы ЛХР
Лестницы ЛГР
Колонны
Трубная изоляция
Термоусаживаемые ленты
Скорлупы для труб
Термоусаживаемые манжеты
Термоусаживаемые муфты
Ремонтные материалы ТИАЛ-Р и ТИАЛ-З
Термоусаживаемые заглушки
Вспомогательное оборудование для стальных труб
Полотенца футеровочные из НСП
Термоизолирующие пояса ТП
Уплотнительные коврики кольцевые ж/б утяжелители УК-СЛ-УТК
Маты футеровочные для железобетонных утяжелителей
Термозащитные пояса ТЗП
Машинки для резки труб
Троллейные подвески и роликовые опоры
Скальные листы полимерные СЛП
Центраторы для труб
Центраторы наружные
Подогреватели стыков труб ПСТ
Скальные листы СЛ
Расширительные баки и гидроаккумуляторы
Баки гидроаккумуляторы
Баки для систем отопления
Насосы
Погружные насосы
Фекальные насосы
Насосы многоступенчатые
Насосы многоступенчатые горизонтальные
Скважинные насосы
Дренажные насосы
Поверхностные насосы
Комплектующие для насосов
Насосные станции
Насосы циркуляционные
Насосы циркуляционные с мокрым ротором
С сухим ротором
Приборы учета, контрольно-измерительные приборы и автоматика
Узлы квартирные
Реле давления
Термометры
Комплектующие для КИПиА
Бобышки
Гильзы для термометров
Демпферы
Заглушки
Защитные кожухи
Краны кнопочные
Краны трехходовые
Кронштейны для измерительных приборов
Переходники
Разделители сред для измерительных приборов
Соединительные рукава
Трубки для измерительных приборов
Фитинги
Фланцы для манометров
Узлы этажные
Реле потока
Счетчики воды
Электромагнитные расходомеры-счетчики воды
Счетчики воды тахометрические
Преобразователи (датчики) давления
Реле температуры
Системы диспетчеризации
Концентраторы сетевые
Оборудование связи и коммутации
Счетчики импульсов
Манометры
Термоманометры
Теплосчетчики
Ультразвуковые счетчики
Механические счетчики
Железобетонные изделия
Лотки для сборных железобетонных каналов марки Л
Балки перекрытия каналов Б
Фундаментные блоки ФБС
Железобетонные фундаменты стаканного типа ФЖ
Плиты перекрытия лотка П
Колодцы
Общестроительные сваи С
Унифицированные дырчатые блоки ФБП
Железобетонные плиты ФЛ
Фундаментные балки ФБ
Сальники для труб
Сальники для труб набивные
Сальники для труб набивные по типовому проекту ВС-02-10
Сальники набивные серии 3.903 КЛ-13 вып.0-1 для труб
Сальники набивные серии 5.900-2
Сальники для труб набивные серии 5.905-26.08
Сальники для труб нажимные
Сальники для труб нажимные ТММ 18-03
Сальники для труб нажимные серии 5.900-3
Сальники для труб нажимные серии 5.905-26.08
Опоры для труб
Опоры для труб ОСТ 36-10Х-83
Опоры для труб ОСТ 36-103-83
Опоры для труб ОСТ 36-104-83
Опоры для труб ПХ ОСТ 36-105-83
Опоры для труб ПБ ОСТ 36-105-83
Опоры для труб ОСТ 36-107-83
Опоры для труб ОСТ 36-94-83
Опоры для труб ОПБ1
Опоры для труб ОПБ2
Опоры для труб ОПП1
Опоры для труб ОПП2
Опоры для труб ОПП3
Опоры для труб ОПХ1
Опоры для труб ОПХ2
Опоры для труб ОПХ3
Опоры для труб ОСТ 24.125.1ХХ-01
Опоры для труб ОСТ 24.125.151-01
Опоры для труб ОСТ 24.125.153-01
Опоры для труб ОСТ 24.125.158-01
Опоры для труб ОСТ 24.125.160-01
Опоры для труб ОСТ 24.125.161-01
Опоры для труб ОСТ 24.125.163-01
Опоры для труб ОСТ 24.125.165-01
Опоры для труб МН 40ХХ-62
Опоры для труб МН 4020-62
Опоры для труб МН 4018-62
Опоры для труб МН 4017-62
Опоры для труб МН 4016-62
Опоры для труб МН 4015-62
Опоры для труб МН 4014-62
Опоры для труб МН 4013-62
Опоры для труб МН 4012-62
Опоры для труб МН 4011-62
Опоры для труб МН 4010-62
Опоры для труб МН 4009-62
Опоры для труб МН 4008-62
ОСТ 36-146-88 опоры для труб
ТП опоры для труб
ТХ опоры для труб
КП опоры для труб
КХ опоры для труб
ТР опоры для труб
ШП опоры для труб
УП опоры для труб
ХБ опоры для труб
ТО опоры для труб
ВП опоры для труб
КН опоры для труб
Опоры для труб Серия 1-487-1997.01.000
СПО опоры для труб
СПОк опоры для труб
СПОн опоры для труб
ФСО-1 опоры для труб
ФСО-2 опоры для труб
Опоры для труб ОСТ 108.275.ХХ-80
Опоры для труб ОСТ 108.275.25-80
Опоры для труб ОСТ 108.275.26-80
Опоры для труб ОСТ 108.275.27-80
Опоры для труб ОСТ 108.275.28-80
Опоры для труб ОСТ 108.275.29-80
Опоры для труб ОСТ 108.275.30-80
Опоры для труб ОСТ 108.275.31-80
Опоры для труб ОСТ 108.275.32-80
Опоры для труб ОСТ 108.275.33-80
Опоры для труб ОСТ 108.275.34-80
Опоры для труб ОСТ 108.275.35-80
Опоры для труб ОСТ 108.275.36-80
Опоры для труб ОСТ 108.275.37-80
Опоры для труб ОСТ 108.275.38-80
Опоры для труб ОСТ 108.275.42-80
Опоры для труб ОСТ 108.275.45-80
Опоры для труб ОСТ 108.275.47-80
Опоры для труб ОСТ 108.275.49-80
Опоры для труб Серия 4.903-10
Опоры для труб Выпуск 4
Выпуск 5 опоры для труб
Опоры для труб ГОСТ 14911-82
ОПБ1 опоры для труб
ОПБ2 опоры для труб
ОПП1 опоры для труб
ОПП2 опоры для труб
ОПП3 опоры для труб
ОПХ1 опоры для труб
ОПХ2 опоры для труб
ОПХ3 опоры хомутовые для труб
Опоры для труб Л8-1ХХ
Опоры для труб Л8-138
Опоры для труб Л8-141
Опоры для труб Л8-145
Опоры для труб Л8-146
Опоры для труб Л8-147
Опоры для труб Л8-148
Опоры для труб Л8-150
Опоры для труб Л8-180
Опоры для труб Л8-190
Опоры для труб Л8-191
Опоры для труб Л8-192
Опоры для труб Л8-193
Опоры для труб Л8-194
Опоры для труб Л8-196
Опоры для труб Л8-197
Опоры для труб Л8-198
Опоры для труб Л8-199
Опоры для труб Л8-200
Опоры для труб ТПР
Опоры для труб ТПР.04.01(2).00.000
Опоры для труб ТПР.05.06(3).00.000
Опоры для труб ТПР.05.11(4).00.000
Опоры для труб ТПР.05.15(1).00.000
Опоры для труб ТПР.05.18(1).00.000
Опоры для труб ТПР.05.19(2).00.000
Опоры для труб ТПР.05.21(1).00.000
Опоры для труб ТПР.05.24(3).00.000
Опоры для труб ТПР.05.29.00.000
Опоры для труб ТПР.06.34(4).00.000
Опоры для труб ТПР.07.35.00.000
Опоры для труб ТПР.08.13.00.000
Опоры для труб ТПР.08.17(2).00.000
Опоры для труб ТПР.08.38.00.000
Опоры для труб ТПР.08.71(1).00.000
Опоры для труб ТПР.08.73(1).00.000
Опоры для труб ТПР.10.14(1).00.000
Опоры для труб ТПР.13.53(1).00.000
Опоры для труб ТПР.14.05.00.000
Опоры для труб ТПР.14.45.00.000
Опоры для труб Серия 5.903-13
выпуск 6-95
Опоры для труб Выпуск 7-95 Серия 5.903-13
Выпуск 8-95 опоры для труб
Опоры для труб ОСТ 34-10-6ХХ-93
Опоры для труб ОСТ 34-10-610-93
Опоры для труб ОСТ 34-10-611-93
Опоры для труб ОСТ 34-10-612-93
Опоры для труб ОСТ 34-10-613-93
Опоры для труб ОСТ 34-10-614-93
Опоры для труб ОСТ 34-10-615-93
Опоры для труб ОСТ 34-10-616-93
Опоры для труб ОСТ 34-10-617-93
Опоры для труб ОСТ 34-10-618-93
Опоры для труб ОСТ 34-10-619-93
Опоры для труб ОСТ 34-10-620-93
Опоры для труб ОСТ 34-10-621-93
Опоры для труб ОСТ 34-10-622-93
Опоры для труб ОСТ 34-10-623-93
Опоры для труб Л8-5ХХ
Опоры для труб Л8-522
Опоры для труб Л8-523
Опоры для труб Л8-518
Опоры для труб Л8-519
Опоры для труб Л8-509
Опоры для труб Л8-510
Опоры для труб Л8-511
Опоры для труб Л8-512
Опоры для труб Л8-513
Опоры для труб Л8-514
Опоры для труб Л8-517
Опоры для труб ОСТ 36-17-85
Опоры для труб ХО
Опоры для труб ТК
Опоры для труб СО
Опоры для труб ПХ2
Опоры для труб ПХ1
Опоры для труб ПС2
Опоры для труб ПС1
Опоры для труб ПП2
Опоры для труб ПО1
Опоры для труб ПО
Опоры для труб ОХ
Опоры для труб ОС2
Опоры для труб ОС1
Опоры для труб ОП2
Опоры для труб ОН
Опоры для труб ОКА
Опоры для труб ОК
Опоры для труб ОВС
Опоры для труб ОВ
Стальные емкости
Трубы
Пластиковые трубы
Полипропиленовые трубы
Трубы спиральновитые СВТ
Трубы ПВХ
Трубы дренажные
Трубы PP канализационные
Трубы ПНД
Трубы гофрированные канализационные
Стальные трубы
Трубы из нержавеющей, углеродистой стали
Металлопластиковые трубы
Инструмент для монтажа металлопластиковых труб
Трубы профильные
Прямоугольные трубы
Трубы квадратные
Чугунные трубы
Трубы SML чугунные
Трубы чугунные ВЧШГ
Трубы в изоляции
Гибкие трубы в изоляции
Трубы в ППУ изоляции
Фильтр-патроны для ливневой канализации
Опорные кольца к фильтрам ФОПС
Легкосъемные крышки КЛ
Фильтрующие патроны ФОПС
Фильтрующие патроны ФОПС-К
Фильтрующие патроны ФОПС-МУ
Фильтрующие патроны ФОПС-М
Фильтрующие патроны ФОПС-Н
Фильтрующие патроны ФОПС-С
Фильтрующие патроны ФОПС-У
Фильтрующие патроны ФОПС-Ц
Опорно-направляющие кольца и герметизирующие манжеты
Манжеты стенового ввода МСВ
Укрытия защитные для манжет герметизирующих УЗМГ
Кольца диэлектрические Спейсер
Опорно-направляющие кольца ОНК
Герметизирующие манжеты
Регистры отопления
Регистры отопления РЭ с эллиптическими заглушками
Регистры отопления РЗП змеевиковые с плоскими заглушками
Регистры отопления РП с плоскими заглушками
Регистры отопления РЗЭ змеевиковые с эллиптическими заглушками
Регистры отопления РСЭ секционные с эллиптическими заглушками
Регистры отопления РАЭ автономные с эллиптическими заглушками
Регистры отопления РСП секционные с плоскими заглушками
Регистры отопления РАП автономные с плоскими заглушками
Радиаторы отопления
Электрические
Панельные радиаторы отопления
Алюминиевые радиаторы отопления
Чугунные радиаторы отопления
Биметаллические радиаторы отопления
Радиаторная арматура и комплектующие
Дизайн-радиаторы
Ремонтно-соединительная арматура
Муфты ремонтные
Седловые отводы
Обжимные фланцы ПФРК и фланцевые адаптеры
Фланцы Benarmo
Фланцевые адаптеры Dendor
Фланцевые адаптеры VGA
Фланцевые адаптеры FAF
Фланцевые адаптеры Viking Johnson
Фланцы Dendor
Фланцы AVK
Фланцы Jafar
Фланцы HAWLE
Седелки чугунные и хомутовые отводы
Седелки
Врезные хомуты HAWLE
Муфты соединительные ПФРК
Компенсаторы резиновые (вибровставки)
Гибкие вставки Genebre
Гибкие вставки ABRA
Гибкие вставки ADL
Хомуты врезные
Ремонтные уплотнители кольцевых пространств РУРС
Хомутовые отводы
Муфты обжимные соединительные ДРК
Коллекторы и коллекторные группы
Запорные
Коллекторные фитинги
Запорно-регулирующие
Комплектующие для коллекторов
Коллекторы распределительные
Коллекторные шкафы распределительные
Коллекторные группы
Группы быстрого монтажа
Приводы для трубопроводной арматуры
Электроприводы
Редукторы
Фланцы стальные
Фланцы стальные плоские приварные
Фланцевые заглушки
Фланцы воротниковые приварные встык
Фланцы прижимные ПНД под ПЭ втулку
Фланцы с ПП покрытием
Трубопроводная арматура
Группы безопасности
Затворы
Затворы Kvant
Затворы РАШВОРК
Затворы GENEBRE
Затворы VAG
Затворы ABRA
Затворы дисковые ADL ГРАНВЭЛ
Затворы Dendor
Затворы VGA
Затворы FAF
Демонтажные вставки
Демонтажные вставки VIKING JOHNSON
Демонтажные вставки VGA FL 26.50
Демонтажные вставки JAFAR 9311
Демонтажные вставки HAWLE 9810
Монтажные вставки FAF
Демонтажные вставки AVK
Фильтры
Задвижки
Задвижки клиновые
Задвижки DENDOR
Задвижки ГРАНАР ADL
Задвижки VGA
Задвижки AVK
Задвижки JAFAR
Задвижки HAWLE
Задвижки VAG
Задвижки шиберные
Задвижки шланговые
Задвижки ABRA
Задвижки FAF
VALFEX
Штоки для запорной арматуры
Штоки для задвижек
Штоки для вентилей
Клапаны
Клапаны воздушные
Клапаны игольчатые
Регулирующие клапаны
Балансировочные клапаны
Отсечные клапаны
Предохранительные клапаны
Клапаны запорные
Клапаны электромагнитные
Доп. оборудование для клапанов
Клапаны обратные
Краны шаровые
Краны шаровые бронзовые
Стальные шаровые краны
Краны шаровые латунные
Краны шаровые из нержавеющей стали
Краны шаровые полипропиленовые
Краны шаровые чугунные
Краны шаровые ПЭ полиэтиленовые
Вантузы воздушные
Вантузы воздушные Jafar
Вентили
Вентили запорные
Вентили игольчатые
Пожарные гидранты
Пожарные гидранты VGA
Пожарные гидранты VAG HYDRUS
Пожарные гидранты JAFAR
Пожарные гидранты AVK 35/72
Пожарные гидранты HAWLE DUO-GOST 5035
СпецСнаб
Системы защиты от протечек воды
Готовые системы защиты от протечки воды
Датчики протечки воды
Модули управления
Комплектующие для систем защиты от протечки воды
Соединительные детали для труб
Фитинги для нержавеющих труб
Фитинги PP канализационные для труб
Фитинг канализационный бесшумный для внутренних сетей
Фитинг канализационный для внутренних сетей
Комплектующие для фитингов ПП канализационных труб
Комплектующие для сифонов
Фитинг канализационный для наружных сетей
Сифоны
Стальные фитинги
Стальные бобышки
Стальные водорозетки
Стальные вставки
Контргайки стальные
Стальные крестовины
Стальные муфты
Стальные ниппели
Стальные обводы
Стальные переходники
Соединители стальные
Угольники стальные
Стальные заглушки
Стальные отводы
Стальные переходы
Стальные тройники
Фитинги для труб в ППУ изоляции
Отводы в ППУ изоляции
Тройники в ППУ изоляции
Компенсаторы сильфонные в ППУ изоляции
Тройники c воздушником в ППУ изоляции
Тройниковые ответвления в ППУ изоляции
Переходы в ППУ изоляции
Концевые элементы в ППУ изоляции
Фитинги для металлополимерных труб
Водорозетки металлополимерные
Гильзы металлополимерные
Крестовины металлополимерные
Переходники металлополимерные
Разъёмные соединения металлополимерные
Соединители металлополимерные
Тройники металлополимерные
Угольники металлополимерные
Фитинги для ПВХ труб
Заглушки для ПВХ труб
Крышки для ПВХ труб
Муфты для ПВХ труб
Отводы для ПВХ труб
Переходы для ПВХ труб
Ревизии для ПВХ труб
Фитинги для ПНД труб
Накладки-ремонтные ПНД
Муфты ПНД
Отводы ПНД
Тройники ПНД ПЭ 100
Крестовины ПНД
Переходы ПНД
Заглушки ПНД
Патрубки накладки ПНД
Седелки для врезки под давлением ПНД
Неразъемные соединения полиэтилен-сталь НСПС
Цокольные вводы
Муфты защитные для прохода ПЭ труб через ЖБ колодец
Опоры из ПНД труб
Втулки под фланцы ПНД ПЭ100
Фитинги для труб из сшитого полиэтилена
Водорозетки
Гильзы надвижные
Заглушки аксиальные
Переходники надвижные
Тройники надвижные
Трубки
Угольники надвижные
Резьбовые фитинги латунные
Адартеры резьбовые латунные
Бочонки резьбовые латунные
Водорозетки резьбовые латунные
Штуцеры резьбовые латунные
Гильзы латунные
Заглушки резьбовые латунные
Контргайки резьбовые латунные
Крестовины резьбовые латунные
Муфты резьбовые латунные
Ниппели резьбовые латунные
Переходники резьбовые латунные
Пробки резьбовые латунные
Сгоны резьбовые латунные
Соединители резьбовые латунные
Тройники резьбовые латунные
Угольники резьбовые латунные
Удлинители резьбовые латунные
Футорки резьбовые латунные
Хомуты резьбовые латунные
Эксцентрики резьбовые латунные
Соединительные детали ВЧШГ
Двойные раструбы чугунные
Тройники чугунные
Колена чугунные
Отводы чугунные
Кресты чугунные
Пожарные подставки чугунные
Патрубки чугунные
Переходы чугунные
Фитинги для полипропиленовых труб
Заглушки полипропиленовые
Компенсаторы полипропиленовые
Крестовины полипропиленовые
Муфты полипропиленовые
Обводы полипропиленовые
Отводы полипропиленовые
Патрубки полипропиленовые
Переходники полипропиленовые
Планки полипропиленовые
Пробки полипропиленовые
Разъёмные соединения полипропиленовые
Тройники полипропиленовые
Угольники полипропиленовые
Штуцеры полипропиленовые
Компенсаторы
Компенсаторы резиновые
Фитинги для труб SML
Заглушки SML
Сифоны SML
Переходники SML
Отводы SML
Ревизии SML
Опорные кольца SML
Крестовины SML
Тройники SML
Люк для колодца
Еще
Трапы
Комплектующие для трапов
Кровельные воронки
Для балконов и террас
Поворотный шарнир
Комплектующие для кровельных воронок
Для плоских кровель
Вертикальный выпуск
Горизонтальный выпуск
Пневмозаглушки
Оросители
Дренчерные оросители
Спринклерные оросители
Пожарное оборудование
Шкафы пожарные
Рукава пожарные
Стволы пожарные
Головки пожарные
Краны пожарные
Муфты противопожарные
Подставки под огнетушители
Узлы управления
Мотопомпы
Подставки под гидранты
Огнетушители
Огнетушители порошковые (ОП)
Огнетушители углекислотные (ОУ)
Огнетушители воздушно-пенные (ОВП)
Огнетушители воздушно-эмульсионные (ОВЭ)
Огнетушители порошковые специальные (ОПС)
Огнетушители самосрабатывающие
Регуляторы давления
Компенсаторы сильфонные
Компенсаторы ОПФН сильфонные
Компенсаторы ОПН сильфонные
Компенсаторы ОПМР сильфонные
Компенсаторы ОПКР сильфонные
Компенсаторы ОПК сильфонные
Компенсаторы ОПГ сильфонные
Компенсаторы КСОР сильфонные
Компенсаторы КСО сильфонные
Компенсаторы 2КСО двухсильфонные
Компенсаторы 2КСОР двухсильфонные
Компенсаторы 2ОПКР двухсильфонные
Компенсаторы 2ОПМР двухсильфонные
Стальные канаты
Лестницы и ограждения
Стальные ограждения
Ограждения для лестниц
Ограждения для площадок
Ограждения для стремянок
Стойки
Лестницы стальные
Лестницы ЛХВ
Лестницы ЛХФ
Лестницы ЛГВ
Лестницы ЛГФ
Лестницы ЛХР
Лестницы ЛГР
Колонны
Площадки промышленные
Стремянки
Трубная изоляция
Термоусаживаемые ленты
Термоусаживаемые манжеты
Ремонтные материалы ТИАЛ-Р и ТИАЛ-З
Термоусаживаемые заглушки
Скорлупы для труб
Термоусаживаемые муфты
Вспомогательное оборудование для стальных труб
Полотенца футеровочные из НСП
Маты футеровочные для железобетонных утяжелителей
Троллейные подвески и роликовые опоры
Подогреватели стыков труб ПСТ
Термоизолирующие пояса ТП
Термозащитные пояса ТЗП
Скальные листы полимерные СЛП
Скальные листы СЛ
Уплотнительные коврики кольцевые ж/б утяжелители УК-СЛ-УТК
Машинки для резки труб
Центраторы для труб
Центраторы наружные
Расширительные баки и гидроаккумуляторы
Баки гидроаккумуляторы
Баки для систем отопления
Насосы
Погружные насосы
Скважинные насосы
Поверхностные насосы
Насосные станции
Фекальные насосы
Дренажные насосы
Комплектующие для насосов
Насосы циркуляционные
Насосы циркуляционные с мокрым ротором
С сухим ротором
Насосы многоступенчатые
Насосы многоступенчатые горизонтальные
Приборы учета, контрольно-измерительные приборы и автоматика
Узлы квартирные
Узлы этажные
Преобразователи (датчики) давления
Манометры
Реле давления
Реле потока
Реле температуры
Термоманометры
Термометры
Счетчики воды
Электромагнитные расходомеры-счетчики воды
Счетчики воды тахометрические
Системы диспетчеризации
Концентраторы сетевые
Оборудование связи и коммутации
Счетчики импульсов
Теплосчетчики
Ультразвуковые счетчики
Механические счетчики
Комплектующие для КИПиА
Бобышки
Гильзы для термометров
Демпферы
Заглушки
Защитные кожухи
Краны кнопочные
Краны трехходовые
Кронштейны для измерительных приборов
Переходники
Разделители сред для измерительных приборов
Соединительные рукава
Трубки для измерительных приборов
Фитинги
Фланцы для манометров
Железобетонные изделия
Лотки для сборных железобетонных каналов марки Л
Железобетонные фундаменты стаканного типа ФЖ
Общестроительные сваи С
Железобетонные плиты ФЛ
Балки перекрытия каналов Б
Плиты перекрытия лотка П
Унифицированные дырчатые блоки ФБП
Фундаментные балки ФБ
Фундаментные блоки ФБС
Колодцы
Сальники для труб
Сальники для труб набивные
Сальники для труб набивные по типовому проекту ВС-02-10
Сальники набивные серии 3.903 КЛ-13 вып.0-1 для труб
Сальники набивные серии 5.900-2
Сальники для труб набивные серии 5.905-26.08
Сальники для труб нажимные
Сальники для труб нажимные ТММ 18-03
Сальники для труб нажимные серии 5.900-3
Сальники для труб нажимные серии 5.905-26.08
Опоры для труб
Опоры для труб ОСТ 36-10Х-83
Опоры для труб ОСТ 36-103-83
Опоры для труб ОСТ 36-104-83
Опоры для труб ПХ ОСТ 36-105-83
Опоры для труб ПБ ОСТ 36-105-83
Опоры для труб ОСТ 36-107-83
ОСТ 36-146-88 опоры для труб
ТП опоры для труб
ТХ опоры для труб
КП опоры для труб
КХ опоры для труб
ТР опоры для труб
ШП опоры для труб
УП опоры для труб
ХБ опоры для труб
ТО опоры для труб
ВП опоры для труб
КН опоры для труб
Опоры для труб ГОСТ 14911-82
ОПБ1 опоры для труб
ОПБ2 опоры для труб
ОПП1 опоры для труб
ОПП2 опоры для труб
ОПП3 опоры для труб
ОПХ1 опоры для труб
ОПХ2 опоры для труб
ОПХ3 опоры хомутовые для труб
Опоры для труб ОСТ 34-10-6ХХ-93
Опоры для труб ОСТ 34-10-610-93
Опоры для труб ОСТ 34-10-611-93
Опоры для труб ОСТ 34-10-612-93
Опоры для труб ОСТ 34-10-613-93
Опоры для труб ОСТ 34-10-614-93
Опоры для труб ОСТ 34-10-615-93
Опоры для труб ОСТ 34-10-616-93
Опоры для труб ОСТ 34-10-617-93
Опоры для труб ОСТ 34-10-618-93
Опоры для труб ОСТ 34-10-619-93
Опоры для труб ОСТ 34-10-620-93
Опоры для труб ОСТ 34-10-621-93
Опоры для труб ОСТ 34-10-622-93
Опоры для труб ОСТ 34-10-623-93
Опоры для труб ОСТ 36-94-83
Опоры для труб ОПБ1
Опоры для труб ОПБ2
Опоры для труб ОПП1
Опоры для труб ОПП2
Опоры для труб ОПП3
Опоры для труб ОПХ1
Опоры для труб ОПХ2
Опоры для труб ОПХ3
Опоры для труб Серия 1-487-1997.01.000
СПО опоры для труб
СПОк опоры для труб
СПОн опоры для труб
ФСО-1 опоры для труб
ФСО-2 опоры для труб
Опоры для труб Л8-1ХХ
Опоры для труб Л8-138
Опоры для труб Л8-141
Опоры для труб Л8-145
Опоры для труб Л8-146
Опоры для труб Л8-147
Опоры для труб Л8-148
Опоры для труб Л8-150
Опоры для труб Л8-180
Опоры для труб Л8-190
Опоры для труб Л8-191
Опоры для труб Л8-192
Опоры для труб Л8-193
Опоры для труб Л8-194
Опоры для труб Л8-196
Опоры для труб Л8-197
Опоры для труб Л8-198
Опоры для труб Л8-199
Опоры для труб Л8-200
Опоры для труб Л8-5ХХ
Опоры для труб Л8-522
Опоры для труб Л8-523
Опоры для труб Л8-518
Опоры для труб Л8-519
Опоры для труб Л8-509
Опоры для труб Л8-510
Опоры для труб Л8-511
Опоры для труб Л8-512
Опоры для труб Л8-513
Опоры для труб Л8-514
Опоры для труб Л8-517
Опоры для труб ОСТ 24.125.1ХХ-01
Опоры для труб ОСТ 24.125.151-01
Опоры для труб ОСТ 24.125.153-01
Опоры для труб ОСТ 24.125.158-01
Опоры для труб ОСТ 24.125.160-01
Опоры для труб ОСТ 24.125.161-01
Опоры для труб ОСТ 24.125.163-01
Опоры для труб ОСТ 24.125.165-01
Опоры для труб ОСТ 108.275.ХХ-80
Опоры для труб ОСТ 108.275.25-80
Опоры для труб ОСТ 108.275.26-80
Опоры для труб ОСТ 108.275.27-80
Опоры для труб ОСТ 108.275.28-80
Опоры для труб ОСТ 108.275.29-80
Опоры для труб ОСТ 108.275.30-80
Опоры для труб ОСТ 108.275.31-80
Опоры для труб ОСТ 108.275.32-80
Опоры для труб ОСТ 108.275.33-80
Опоры для труб ОСТ 108.275.34-80
Опоры для труб ОСТ 108.275.35-80
Опоры для труб ОСТ 108.275.36-80
Опоры для труб ОСТ 108.275.37-80
Опоры для труб ОСТ 108.275.38-80
Опоры для труб ОСТ 108.275.42-80
Опоры для труб ОСТ 108.275.45-80
Опоры для труб ОСТ 108.275.47-80
Опоры для труб ОСТ 108.275.49-80
Опоры для труб ТПР
Опоры для труб ТПР.04.01(2).00.000
Опоры для труб ТПР.05.06(3).00.000
Опоры для труб ТПР.05.11(4).00.000
Опоры для труб ТПР.05.15(1).00.000
Опоры для труб ТПР.05.18(1).00.000
Опоры для труб ТПР.05.19(2).00.000
Опоры для труб ТПР.05.21(1).00.000
Опоры для труб ТПР.05.24(3).00.000
Опоры для труб ТПР.05.29.00.000
Опоры для труб ТПР.06.34(4).00.000
Опоры для труб ТПР.07.35.00.000
Опоры для труб ТПР.08.13.00.000
Опоры для труб ТПР.08.17(2).00.000
Опоры для труб ТПР.08.38.00.000
Опоры для труб ТПР.08.71(1).00.000
Опоры для труб ТПР.08.73(1).00.000
Опоры для труб ТПР.10.14(1).00.000
Опоры для труб ТПР.13.53(1).00.000
Опоры для труб ТПР.14.05.00.000
Опоры для труб ТПР.14.45.00.000
Опоры для труб ОСТ 36-17-85
Опоры для труб ХО
Опоры для труб ТК
Опоры для труб СО
Опоры для труб ПХ2
Опоры для труб ПХ1
Опоры для труб ПС2
Опоры для труб ПС1
Опоры для труб ПП2
Опоры для труб ПО1
Опоры для труб ПО
Опоры для труб ОХ
Опоры для труб ОС2
Опоры для труб ОС1
Опоры для труб ОП2
Опоры для труб ОН
Опоры для труб ОКА
Опоры для труб ОК
Опоры для труб ОВС
Опоры для труб ОВ
Опоры для труб МН 40ХХ-62
Опоры для труб МН 4020-62
Опоры для труб МН 4018-62
Опоры для труб МН 4017-62
Опоры для труб МН 4016-62
Опоры для труб МН 4015-62
Опоры для труб МН 4014-62
Опоры для труб МН 4013-62
Опоры для труб МН 4012-62
Опоры для труб МН 4011-62
Опоры для труб МН 4010-62
Опоры для труб МН 4009-62
Опоры для труб МН 4008-62
Опоры для труб Серия 4.903-10
Опоры для труб Выпуск 4
Выпуск 5 опоры для труб
Опоры для труб Серия 5.903-13
выпуск 6-95
Опоры для труб Выпуск 7-95 Серия 5.903-13
Выпуск 8-95 опоры для труб
Стальные емкости
Трубы
Пластиковые трубы
Полипропиленовые трубы
Трубы спиральновитые СВТ
Трубы ПВХ
Трубы дренажные
Трубы PP канализационные
Трубы ПНД
Трубы гофрированные канализационные
Металлопластиковые трубы
Инструмент для монтажа металлопластиковых труб
Чугунные трубы
Трубы SML чугунные
Трубы чугунные ВЧШГ
Трубы в изоляции
Гибкие трубы в изоляции
Трубы в ППУ изоляции
Стальные трубы
Трубы из нержавеющей, углеродистой стали
Трубы профильные
Прямоугольные трубы
Трубы квадратные
Фильтр-патроны для ливневой канализации
Опорные кольца к фильтрам ФОПС
Легкосъемные крышки КЛ
Фильтрующие патроны ФОПС
Фильтрующие патроны ФОПС-К
Фильтрующие патроны ФОПС-МУ
Фильтрующие патроны ФОПС-М
Фильтрующие патроны ФОПС-Н
Фильтрующие патроны ФОПС-С
Фильтрующие патроны ФОПС-У
Фильтрующие патроны ФОПС-Ц
Опорно-направляющие кольца и герметизирующие манжеты
Манжеты стенового ввода МСВ
Кольца диэлектрические Спейсер
Опорно-направляющие кольца ОНК
Герметизирующие манжеты
Укрытия защитные для манжет герметизирующих УЗМГ
Регистры отопления
Регистры отопления РЭ с эллиптическими заглушками
Регистры отопления РП с плоскими заглушками
Регистры отопления РСЭ секционные с эллиптическими заглушками
Регистры отопления РСП секционные с плоскими заглушками
Регистры отопления РЗП змеевиковые с плоскими заглушками
Регистры отопления РЗЭ змеевиковые с эллиптическими заглушками
Регистры отопления РАЭ автономные с эллиптическими заглушками
Регистры отопления РАП автономные с плоскими заглушками
Радиаторы отопления
Электрические
Алюминиевые радиаторы отопления
Биметаллические радиаторы отопления
Дизайн-радиаторы
Панельные радиаторы отопления
Чугунные радиаторы отопления
Радиаторная арматура и комплектующие
Ремонтно-соединительная арматура
Муфты ремонтные
Седелки чугунные и хомутовые отводы
Седелки
Врезные хомуты HAWLE
Хомуты врезные
Хомутовые отводы
Седловые отводы
Муфты соединительные ПФРК
Ремонтные уплотнители кольцевых пространств РУРС
Муфты обжимные соединительные ДРК
Обжимные фланцы ПФРК и фланцевые адаптеры
Фланцы Benarmo
Фланцевые адаптеры Dendor
Фланцевые адаптеры VGA
Фланцевые адаптеры FAF
Фланцевые адаптеры Viking Johnson
Фланцы Dendor
Фланцы AVK
Фланцы Jafar
Фланцы HAWLE
Компенсаторы резиновые (вибровставки)
Гибкие вставки Genebre
Гибкие вставки ABRA
Гибкие вставки ADL
Коллекторы и коллекторные группы
Запорные
Запорно-регулирующие
Коллекторы распределительные
Коллекторные группы
Коллекторные фитинги
Комплектующие для коллекторов
Коллекторные шкафы распределительные
Группы быстрого монтажа
Приводы для трубопроводной арматуры
Электроприводы
Редукторы
Фланцы стальные
Фланцы стальные плоские приварные
Фланцы воротниковые приварные встык
Фланцы прижимные ПНД под ПЭ втулку
Фланцы с ПП покрытием
Фланцевые заглушки
Трубопроводная арматура
Группы безопасности
Фильтры
Клапаны
Клапаны воздушные
Клапаны игольчатые
Регулирующие клапаны
Балансировочные клапаны
Отсечные клапаны
Предохранительные клапаны
Клапаны запорные
Клапаны электромагнитные
Доп. оборудование для клапанов
Клапаны обратные
Вентили
Вентили запорные
Вентили игольчатые
Затворы
Затворы Kvant
Затворы РАШВОРК
Затворы GENEBRE
Затворы VAG
Затворы ABRA
Затворы дисковые ADL ГРАНВЭЛ
Затворы Dendor
Затворы VGA
Затворы FAF
Задвижки
Задвижки клиновые
Задвижки DENDOR
Задвижки ГРАНАР ADL
Задвижки VGA
Задвижки AVK
Задвижки JAFAR
Задвижки HAWLE
Задвижки VAG
Задвижки шиберные
Задвижки шланговые
Задвижки ABRA
Задвижки FAF
VALFEX
Краны шаровые
Краны шаровые бронзовые
Стальные шаровые краны
Краны шаровые латунные
Краны шаровые из нержавеющей стали
Краны шаровые полипропиленовые
Краны шаровые чугунные
Краны шаровые ПЭ полиэтиленовые
Пожарные гидранты
Пожарные гидранты VGA
Пожарные гидранты VAG HYDRUS
Пожарные гидранты JAFAR
Пожарные гидранты AVK 35/72
Пожарные гидранты HAWLE DUO-GOST 5035
СпецСнаб
Демонтажные вставки
Демонтажные вставки VIKING JOHNSON
Демонтажные вставки VGA FL 26.50
Демонтажные вставки JAFAR 9311
Демонтажные вставки HAWLE 9810
Монтажные вставки FAF
Демонтажные вставки AVK
Штоки для запорной арматуры
Штоки для задвижек
Штоки для вентилей
Вантузы воздушные
Вантузы воздушные Jafar
Системы защиты от протечек воды
Готовые системы защиты от протечки воды
Датчики протечки воды
Модули управления
Комплектующие для систем защиты от протечки воды
Соединительные детали для труб
Фитинги для нержавеющих труб
Фитинги для металлополимерных труб
Водорозетки металлополимерные
Гильзы металлополимерные
Крестовины металлополимерные
Переходники металлополимерные
Разъёмные соединения металлополимерные
Соединители металлополимерные
Тройники металлополимерные
Угольники металлополимерные
Фитинги для труб из сшитого полиэтилена
Водорозетки
Гильзы надвижные
Заглушки аксиальные
Переходники надвижные
Тройники надвижные
Трубки
Угольники надвижные
Фитинги для полипропиленовых труб
Заглушки полипропиленовые
Компенсаторы полипропиленовые
Крестовины полипропиленовые
Муфты полипропиленовые
Обводы полипропиленовые
Отводы полипропиленовые
Патрубки полипропиленовые
Переходники полипропиленовые
Планки полипропиленовые
Пробки полипропиленовые
Разъёмные соединения полипропиленовые
Тройники полипропиленовые
Угольники полипропиленовые
Штуцеры полипропиленовые
Фитинги PP канализационные для труб
Фитинг канализационный бесшумный для внутренних сетей
Фитинг канализационный для внутренних сетей
Комплектующие для фитингов ПП канализационных труб
Комплектующие для сифонов
Фитинг канализационный для наружных сетей
Сифоны
Фитинги для ПВХ труб
Заглушки для ПВХ труб
Крышки для ПВХ труб
Муфты для ПВХ труб
Отводы для ПВХ труб
Переходы для ПВХ труб
Ревизии для ПВХ труб
Резьбовые фитинги латунные
Адартеры резьбовые латунные
Бочонки резьбовые латунные
Водорозетки резьбовые латунные
Штуцеры резьбовые латунные
Гильзы латунные
Заглушки резьбовые латунные
Контргайки резьбовые латунные
Крестовины резьбовые латунные
Муфты резьбовые латунные
Ниппели резьбовые латунные
Переходники резьбовые латунные
Пробки резьбовые латунные
Сгоны резьбовые латунные
Соединители резьбовые латунные
Тройники резьбовые латунные
Угольники резьбовые латунные
Удлинители резьбовые латунные
Футорки резьбовые латунные
Хомуты резьбовые латунные
Эксцентрики резьбовые латунные
Компенсаторы
Компенсаторы резиновые
Стальные фитинги
Стальные бобышки
Стальные водорозетки
Стальные вставки
Контргайки стальные
Стальные крестовины
Стальные муфты
Стальные ниппели
Стальные обводы
Стальные переходники
Соединители стальные
Угольники стальные
Стальные заглушки
Стальные отводы
Стальные переходы
Стальные тройники
Фитинги для ПНД труб
Накладки-ремонтные ПНД
Муфты ПНД
Отводы ПНД
Тройники ПНД ПЭ 100
Крестовины ПНД
Переходы ПНД
Заглушки ПНД
Патрубки накладки ПНД
Седелки для врезки под давлением ПНД
Неразъемные соединения полиэтилен-сталь НСПС
Цокольные вводы
Муфты защитные для прохода ПЭ труб через ЖБ колодец
Опоры из ПНД труб
Втулки под фланцы ПНД ПЭ100
Соединительные детали ВЧШГ
Двойные раструбы чугунные
Тройники чугунные
Колена чугунные
Отводы чугунные
Кресты чугунные
Пожарные подставки чугунные
Патрубки чугунные
Переходы чугунные
Фитинги для труб SML
Заглушки SML
Сифоны SML
Переходники SML
Отводы SML
Ревизии SML
Опорные кольца SML
Крестовины SML
Тройники SML
Фитинги для труб в ППУ изоляции
Отводы в ППУ изоляции
Тройники в ППУ изоляции
Компенсаторы сильфонные в ППУ изоляции
Тройники c воздушником в ППУ изоляции
Тройниковые ответвления в ППУ изоляции
Переходы в ППУ изоляции
Концевые элементы в ППУ изоляции
Люк для колодца
Главная
Соединительные детали для труб
Трапы
Кровельные воронки
Пневмозаглушки
Оросители
Пожарное оборудование
Регуляторы давления
Компенсаторы сильфонные
Стальные канаты
Лестницы и ограждения
Трубная изоляция
Вспомогательное оборудование для стальных труб
Расширительные баки и гидроаккумуляторы
Насосы
Приборы учета, контрольно-измерительные приборы и автоматика
Железобетонные изделия
Сальники для труб
Опоры для труб
Стальные емкости
Трубы
Фильтр-патроны для ливневой канализации
Опорно-направляющие кольца и герметизирующие манжеты
Регистры отопления
Радиаторы отопления
Ремонтно-соединительная арматура
Коллекторы и коллекторные группы
Приводы для трубопроводной арматуры
Фланцы стальные
Трубопроводная арматура
Люк для колодца
Стальные фитинги
Фитинги для нержавеющих труб
Фитинги для металлополимерных труб
Фитинги для труб из сшитого полиэтилена
Фитинги для полипропиленовых труб
Фитинги PP канализационные для труб
Фитинги для ПВХ труб
Резьбовые фитинги латунные
Компенсаторы
Фитинги для ПНД труб
Соединительные детали ВЧШГ
Фитинги для труб SML
Фитинги для труб в ППУ изоляции
Стальные отводы
Стальные бобышки
Стальные водорозетки
Стальные вставки
Контргайки стальные
Стальные крестовины
Стальные муфты
Стальные ниппели
Стальные обводы
Стальные переходники
Соединители стальные
Угольники стальные
Стальные заглушки
Стальные переходы
Стальные тройники
Стальные отводы
Категории
Стальные фитинги
Стальные бобышки
Стальные водорозетки
Стальные вставки
Контргайки стальные
Стальные крестовины
Стальные муфты
Стальные ниппели
Стальные обводы
Стальные переходники
Соединители стальные
Угольники стальные
Стальные заглушки
Стальные отводы
Стальные переходы
Стальные тройники
Бренды
ABRA
ADL
ALLURE
ALSO
Aquario
Все бренды (139)
-
-
Предпросмотр
По запросу
9 500
₽
0
₽
Отвод стальной 60-2-159х9-Ст.20 ГОСТ 17375-2001 бесшовный крутоизогнутый
В наличии
В корзину
-
-
Предпросмотр
По запросу
9 500
₽
0
₽
Отвод стальной 90-2-159х11-09Г2С ГОСТ 17375-2001 бесшовный крутоизогнутый
В наличии
В корзину
-
-
Предпросмотр
По запросу
9 500
₽
0
₽
Отвод стальной 60-2-168х8-12Х18Н10Т ГОСТ 17375-2001 бесшовный крутоизогнутый
В наличии
В корзину
-
-
Предпросмотр
По запросу
9 500
₽
0
₽
Отвод стальной 90-2-219х7-Ст.20 ГОСТ 17375-2001 бесшовный крутоизогнутый
В наличии
В корзину
-
-
Предпросмотр
По запросу
9 600
₽
0
₽
Отвод стальной 180-2-133х11-09Г2С ГОСТ 17375-2001 бесшовный крутоизогнутый
В наличии
В корзину
-
-
Предпросмотр
По запросу
9 600
₽
0
₽
Отвод стальной 60-2-159х10-09Г2С ГОСТ 17375-2001 бесшовный крутоизогнутый
В наличии
В корзину
-
-
Предпросмотр
По запросу
9 600
₽
0
₽
Отвод стальной 45-2-168х8-Ст.20 ГОСТ 17375-2001 бесшовный крутоизогнутый
В наличии
В корзину
-
-
Предпросмотр
По запросу
9 600
₽
0
₽
Отвод стальной 180-2-168х9-09Г2С ГОСТ 17375-2001 бесшовный крутоизогнутый
В наличии
В корзину
-
-
Предпросмотр
По запросу
9 700
₽
0
₽
Отвод стальной 45-2-159х11-12Х18Н10Т ГОСТ 17375-2001 бесшовный крутоизогнутый
В наличии
В корзину
-
-
Предпросмотр
По запросу
9 718
₽
0
₽
Отвод стальной 45-1-139,7х10-09Г2С ГОСТ 17375-2001 бесшовный крутоизогнутый
В наличии
В корзину
-
-
Предпросмотр
По запросу
9 800
₽
0
₽
Отвод стальной 180-2-133х11-12Х18Н10Т ГОСТ 17375-2001 бесшовный крутоизогнутый
В наличии
В корзину
-
-
Предпросмотр
По запросу
9 800
₽
0
₽
Отвод стальной 45-2-159х11-Ст.20 ГОСТ 17375-2001 бесшовный крутоизогнутый
В наличии
В корзину
-
-
Предпросмотр
По запросу
9 800
₽
0
₽
Отвод стальной 180-2-159х9-Ст.20 ГОСТ 17375-2001 бесшовный крутоизогнутый
В наличии
В корзину
-
-
Предпросмотр
По запросу
9 800
₽
0
₽
Отвод стальной 60-2-168х8-Ст.20 ГОСТ 17375-2001 бесшовный крутоизогнутый
В наличии
В корзину
-
-
Предпросмотр
По запросу
9 800
₽
0
₽
Отвод стальной 90-2-168х8-Ст.20 ГОСТ 17375-2001 бесшовный крутоизогнутый
В наличии
В корзину
-
-
Предпросмотр
По запросу
9 800
₽
0
₽
Отвод стальной 180-2-219х6-09Г2С ГОСТ 17375-2001 бесшовный крутоизогнутый
В наличии
В корзину
-
-
Предпросмотр
По запросу
9 850
₽
0
₽
Отвод стальной 60-2-159х10-12Х18Н10Т ГОСТ 17375-2001 бесшовный крутоизогнутый
В наличии
В корзину
-
-
Предпросмотр
По запросу
9 900
₽
0
₽
Отвод стальной 60-2-159х10-Ст.20 ГОСТ 17375-2001 бесшовный крутоизогнутый
В наличии
В корзину
-
-
Предпросмотр
По запросу
9 900
₽
0
₽
Отвод стальной 45-2-168х9-09Г2С ГОСТ 17375-2001 бесшовный крутоизогнутый
В наличии
В корзину
-
-
Предпросмотр
По запросу
10 000
₽
0
₽
Отвод стальной 45-1-139,7х10-12Х18Н10Т ГОСТ 17375-2001 бесшовный крутоизогнутый
В наличии
В корзину
-
-
Предпросмотр
По запросу
10 000
₽
0
₽
Отвод стальной 90-1-168,3х4,5-12Х18Н10Т ГОСТ 17375-2001 бесшовный крутоизогнутый
В наличии
В корзину
-
-
Предпросмотр
По запросу
10 000
₽
0
₽
Отвод стальной 180-1-219,1х8-12Х18Н10Т ГОСТ 17375-2001 бесшовный крутоизогнутый
В наличии
В корзину
-
-
Предпросмотр
По запросу
10 000
₽
0
₽
Отвод стальной 45-2-133х12-09Г2С ГОСТ 17375-2001 бесшовный крутоизогнутый
В наличии
В корзину
-
-
Предпросмотр
По запросу
10 000
₽
0
₽
Отвод стальной 180-2-133х11-Ст.20 ГОСТ 17375-2001 бесшовный крутоизогнутый
В наличии
В корзину
-
-
Предпросмотр
По запросу
10 000
₽
0
₽
Отвод стальной 45-2-159х12-09Г2С ГОСТ 17375-2001 бесшовный крутоизогнутый
В наличии
В корзину
-
-
Предпросмотр
По запросу
10 000
₽
0
₽
Отвод стальной 90-2-159х11-12Х18Н10Т ГОСТ 17375-2001 бесшовный крутоизогнутый
В наличии
В корзину
-
-
Предпросмотр
По запросу
10 000
₽
0
₽
Отвод стальной 180-2-159х10-09Г2С ГОСТ 17375-2001 бесшовный крутоизогнутый
В наличии
В корзину
-
-
Предпросмотр
По запросу
10 000
₽
0
₽
Отвод стальной 180-2-168х9-12Х18Н10Т ГОСТ 17375-2001 бесшовный крутоизогнутый
В наличии
В корзину
-
-
Предпросмотр
По запросу
10 000
₽
0
₽
Отвод стальной 90-2-219х8-09Г2С ГОСТ 17375-2001 бесшовный крутоизогнутый
В наличии
В корзину
-
-
Предпросмотр
По запросу
10 000
₽
0
₽
Отвод стальной 180-2-273х6-09Г2С ГОСТ 17375-2001 бесшовный крутоизогнутый
В наличии
В корзину
Загрузить еще
1
...
107
108
109
...
189
Оставить заявку
Разместите код вывода формы обратной связи в настройке контента модального окна
Мы используем cookies для быстрой и удобной работы сайта. Продолжая пользоваться сайтом, вы принимаете условия
обработки персональных данных
.